Запчасти Case IH RBX462 (18.92[1]) - CHAIN OILER KIT, OLD STYLE (18) - ACCESSORIES

Схема запчастей Case IH RBX462 - (18.92[1]) - CHAIN OILER KIT, OLD STYLE (18) - ACCESSORIES
30
4
30
11
8
39
23
23
09.11(1)
12
25
3
30
20
4
5
4
2
18
31
17
1
25
4
25
26
19
7
28
9
15
2
24
2
2
1
21
37
33
34
13
18
20
30
4
14
22
10
32
FIT
1:1
100%

Артикул

Название

Примечание

Количество

1

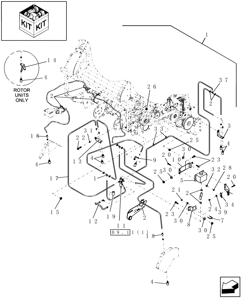
86643870

DIA KIT, HARVESTER

Chain Oiler, Includes: Installation Instructions

1шт.

IMPORTANT! To Identify Which Style Chain Oiler Kit is Installed on Your Unit, Check the Oiler Pump Before Re-Ordering Components. The Old Style Pump Used on the Old Style Chain Oiler Kit is Shown in Fig. 09.10/A. The New Style Pump Used on the New Style Chain Oiler Kit is Shown in Fig. 09.10/B. Order All Component Parts, According to Which Style is Installed on Your Unit.

1шт.

Refer to Installation Instructions for Correct Assembly Procedure

1шт.

2

263117

CABLE TIE,292.1mm L, Nylon, Black

CABLE STRAP

15шт.

3

86631455

ANGLE

1шт.

4

9822519

COMMUTATOR BRUSH

8шт.

5

9822520

RESERVOIR, HYDRAULIC

1шт.

6

87037450

HOSE

5/8"

1шт.

7

86977434

U-BOLT,5/16" - 20 x 1.94" W x 2.50" L

5/16"-18, 1-15/16" W x 2-1/2" L

1шт.

8

86618630

ANGLE

1шт.

9

86618552

ANGLE

1шт.

10

87023511

MOUNTING PARTS

1шт.

11

9822517

HYDRAULIC VALVE

Oiler

1шт.

12

850420

FLEXIBLE HOSE

1шт.

13

86618553

ANGLE

Offset

1шт.

15

625670

GROMMET

1шт.

16

218-5103

90 ELBOW,90 Degree Elbow, 7/16" - 20 Male JIC x 7/16" - 20 Male ORB

Includes: Ref. 38

1шт.

17

PL

PROCURE LOCALLY

Tube, Nylon 8'

1шт.

18

86521981

REDUCER,5/32" Hose Barb x 5/32" Hose Barb

2шт.

19

9846768

HYD CONNECTOR

1шт.

20

844-6016

BOLT,Hvy Hex, M6 x 16mm, Cl 8.8

6шт.

21

425-105

NUT,5/16"-18, G5

2шт.

22

844-12060

BOLT,Hvy Hex, M12 x 60mm, Cl 8.8

1шт.

23

811-6016

CARRIAGE BOLT,Sht Sq Nk, M6 x 1 x 16mm, Cl 8.8

5шт.

24

825-2406

FLANGE NUT,M6 x 1, Cl 8.8

2шт.

25

825-2408

FLANGE NUT,M8 x 1.25, Flg, Cl 8

5шт.

26

9804279

FLANGE NUT,Hex, M12, Cl 8

1шт.

27

433-848

CARRIAGE BOLT,Sq Nk, 1/2" - 13 x 3", Gr 5

1шт.

28

832-46406

NUT,M6 x 1, Cl 8

4шт.

29

322357

BELLEVILLE WASHER,M6 Bolt Size x 14mm OD x 1.3mm Thk

2шт.

30

322358

BELLEVILLE WASHER,M8 Bolt Size x 18mm OD x 1.4mm Thk

7шт.

31

140046

BELLEVILLE WASHER,M12 Bolt Size x 27mm OD x 1.8mm Thk

1шт.

32

495-21031

WASHER,1/4"

4шт.

33

425-108

NUT,1/2" - 13, Gr 5

1шт.

34

87017083

BRACKET

1шт.

35

87017082

BRACKET

1шт.

36

495-21056

WASHER,1/2"

1шт.

37

9847002

HYD CONNECTOR

3шт.

38

237-6004

O-RING,0.072" Thk x 0.351" ID, -904, Cl 6, 90 Duro

1шт.

Not Illustrated

1шт.

Выбрано товаров: 40