Запчасти Case IH RBX462 (05.10) - AXLE (05) - AXLE

Схема запчастей Case IH RBX462 - (05.10) - AXLE (05) - AXLE
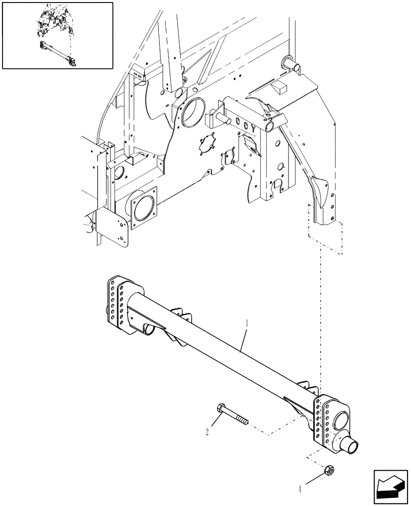
1
2
4
FIT
1:1
100%

Артикул

Название

Примечание

Количество

1

86836917

AXLE

1шт.

Used on Balers Without Brakes. Refer to Fig. 11.21 for Balers With Brakes.

1шт.

2

814-16090

BOLT,Hex, M16 x 2 x 90mm, Cl 8.8

6шт.

4

825-1416

NUT,M16, Cl 8

6шт.

Выбрано товаров: 4