Запчасти Case IH RBX462 (08.11) - SHIELDS, NORTH AMERICA (08) - SHEET METAL/DECALS

Схема запчастей Case IH RBX462 - (08.11) - SHIELDS, NORTH AMERICA (08) - SHEET METAL/DECALS
12
3
18
08.52
22
12
2
8
20
13
5
13
18
4
08.39
16
11
10
5
9
12
18
13
19
08.36
18
22
2
4
1
14
12
3
20
7
08.47
5
08.32
17
23
22
18
13
6
FIT
1:1
100%

Артикул

Название

Примечание

Количество

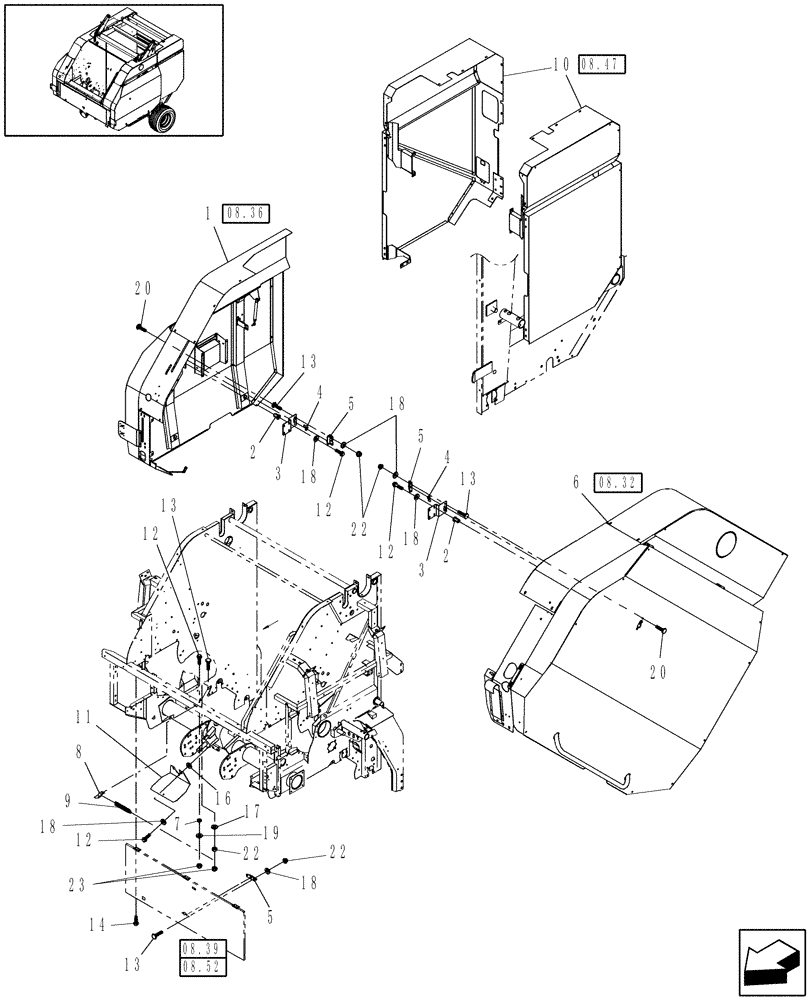
1

0C

ORDER COMPONENTS

Shields, RH

1шт.

2

86610200

THREADED INSERT,M8 x 1.25

M8

6шт.

Prior to P.I.N. HBJ039158

1шт.

3

86618776

ANGLE

2шт.

Prior to P.I.N. HBJ039158

1шт.

4

86628748

LEVER

3шт.

5

84015292

LATCH

Latch, 1/4 Turn

3шт.

6

0C

ORDER COMPONENTS

Shields, LH

1шт.

7

86979427

SPACER

1шт.

8

86637600

LATCH

1шт.

Prior to P.I.N. HBJ039158

1шт.

8

87024149

LATCH

1шт.

Must be used when replacing door

1шт.

P.I.N. HBJ039159 & After

1шт.

9

12255

SPRING

1-3/4" Lg.

1шт.

10

0C

ORDER COMPONENTS

Shields, Rear

1шт.

12

844-8020

BOLT,Hvy Hex, M8 x 20mm, Cl 8.8

7шт.

Prior to P.I.N. HBJ039158

1шт.

12

844-8020

BOLT,Hvy Hex, M8 x 20mm, Cl 8.8

1шт.

P.I.N. HBJ039159 & After

1шт.

13

811-8030

CARRIAGE BOLT,Sht Sq Nk, M8 x 1.25 x 30mm, Cl 8.8

7шт.

Prior to P.I.N. HBJ039158

1шт.

13

811-8030

CARRIAGE BOLT,Sht Sq Nk, M8 x 1.25 x 30mm, Cl 8.8

3шт.

P.I.N. HBJ039159 & After

1шт.

14

677808

SELF-TAP SCREW,Hex Flng, 1/4" - 20 x 5/8"

HWH, 1/4"-20 x 5/8"

9шт.

16

495-11034

WASHER,5/16", SAE

1шт.

17

495-21044

WASHER,3/8"

12шт.

18

322358

BELLEVILLE WASHER,M8 Bolt Size x 18mm OD x 1.4mm Thk

12шт.

Prior to P.I.N. HBJ039158

1шт.

18

322358

BELLEVILLE WASHER,M8 Bolt Size x 18mm OD x 1.4mm Thk

6шт.

P.I.N. HBJ039159 & After

1шт.

20

811-8020

CARRIAGE BOLT,Sht Sq Nk, M8 x 1.25 x 20mm, Cl 8.8

4шт.

P.I.N. HBJ039159 & After

1шт.

22

825-2408

FLANGE NUT,M8 x 1.25, Flg, Cl 8

7шт.

23

832-46408

NUT,M8 x 1.25, Cl 8

2шт.

Выбрано товаров: 0