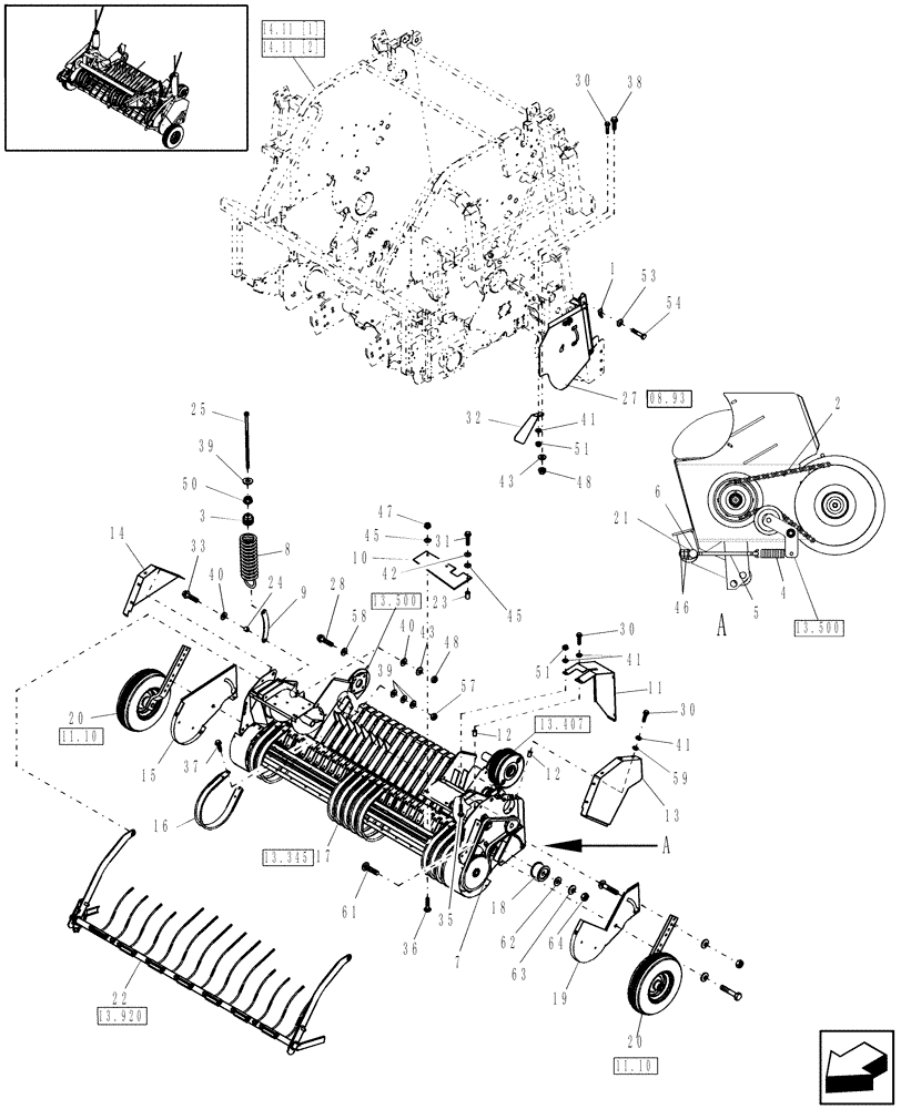
Запчасти Case IH RBX463 (13.344) - 1.8M DUAL CAM WIDE PICKUP & STUFFER FEEDER MOUNTING, NORTH AMERICA, DRY HAY (13) - FEEDER

Схема запчастей Case IH RBX463 - (13.344) - 1.8M DUAL CAM WIDE PICKUP & STUFFER FEEDER MOUNTING, NORTH AMERICA, DRY HAY (13) - FEEDER
9
12
40
45
17
15
27
32
25
35
47
59
22
50
45
10
38
16
51
57
20
12
39
41
30
28
43
19
30
20
62
a
18
a
48
64
46
4
40
31
51
48
11
41
58
13
6
53
30
42
7
63
43
21
41
14
3
2
61
24
54
1
23
33
8
5
36
08.93
13.500
11.10
11.10
13.920
13.345
13.407
13.500
37
39
FIT
1:1
100%

Артикул

Название

Примечание

Количество

1

47325

CLIP

1шт.

2

854233

KIT,60-HE, 62 Links x 19.05mm = 1181.1mm

Roller, 60HE, 62 Pitches

1шт.

3

86631096

SPRING NUT

Spring

2шт.

4

86566303

SPRING

1шт.

5

86628567

EYEBOLT

G2, 3/8"-16 x 8-3/4"

1шт.

6

36989

ROCKER ARM

1шт.

7

87028682

CHAIN (AG)

Roller, RC50, 100 Pitches

1шт.

8

86630851

SPRING

2шт.

9

86631099

LINK

2шт.

10

86631100

FLAP

2шт.

11

86642390

SHIELD

1шт.

12

86610198

INSERT,M6 x 1

Threaded, M6

11шт.

13

86626278

SHIELD

Upper, LH

1шт.

14

86625821

SHIELD

Upper, RH

1шт.

15

86625649

SHIELD

Lower, RH

1шт.

16

86643381

GUARD

7шт.

17

0C

ORDER COMPONENTS

1.8 Dual Cam Wide Pickup

1шт.

18

86613200

IDLER,89mm OD x 47.7mm W

1шт.

19

86626383

SHIELD

Lower, LH

1шт.

20

0C

ORDER COMPONENTS

Wheel & Tire, Pickup

2шт.

21

495-11041

WASHER,0.406" ID x 0.812" OD x 0.065" W

1шт.

22

0C

ORDER COMPONENTS

Windguard

1шт.

23

86610200

THREADED INSERT,M8 x 1.25

M8

6шт.

24

705996

BUSHING

7/8" L

2шт.

25

86632865

BOLT,444.50mm

2шт.

27

0C

ORDER COMPONENTS

Shield, Stuffer Feeder

1шт.

28

614-12040

BOLT,Hex, M12 x 1.75 x 40mm, Cl 8.8, Full Thd

4шт.

30

844-6020

BOLT,Hvy Hex, M6 x 20mm, Cl 8.8

20шт.

31

844-8025

BOLT,Hvy Hex, M8 x 25mm, Cl 8.8

2шт.

32

87017232

SHIELD

1шт.

33

844-10040

BOLT,Hvy Hex, M10 x 40mm, Cl 8.8

2шт.

35

9706703

CARRIAGE BOLT,Sht Sq Nk, M6 x 1 x 20mm, Cl 8.8, Full Thd

1шт.

36

811-8020

CARRIAGE BOLT,Sht Sq Nk, M8 x 1.25 x 20mm, Cl 8.8

4шт.

37

86545825

SELF-TAP SCREW,Hex Wash Hd, 5/16" x 5/8"

28шт.

38

844-10030

BOLT,Hvy Hex, M10 x 30mm, Cl 8.8

1шт.

39

65319

WASHER,13.1mm ID x 25.4mm OD x 3.68mm Thk

14шт.

40

495-21044

WASHER,3/8"

4шт.

41

322357

BELLEVILLE WASHER,M6 Bolt Size x 14mm OD x 1.3mm Thk

21шт.

42

322358

BELLEVILLE WASHER,M8 Bolt Size x 18mm OD x 1.4mm Thk

2шт.

43

140045

BELLEVILLE WASHER,M10 Bolt Size x 22mm OD x 1.6mm Thk

3шт.

45

495-21038

WASHER,5/16"

10шт.

46

425-106

NUT,3/8"-16, Cl 5

2шт.

47

832-46408

NUT,M8 x 1.25, Cl 8

4шт.

48

825-2410

FLANGE NUT,M10 x 1.5, Flg, Cl 8

3шт.

50

425-288

FLANGE NUT,Flg, 1/2"-13, G5

2шт.

51

825-2406

FLANGE NUT,M6 x 1, Cl 8.8

2шт.

53

493-21020

LOCK WASHER,Int Tooth, #10

1шт.

54

440-1108

SCREW,Cross Pan Hd, #10-24 x 1/2"

1шт.

56

844-8030

BOLT,Hex, M8 x 1.25 x 30mm, Cl 8.8

4шт.

57

832-46412

NUT,M12 x 1.75, Cl 8

4шт.

58

703960

WASHER

4шт.

59

495-21031

WASHER,1/4"

8шт.

60

165109

DECAL

Lube Fitting

2шт.

61

811-16050

CARRIAGE BOLT,Sht Sq Nk, M16 x 2 x 50mm, Cl 8.8

1шт.

62

495-11066

WASHER,5/8", SAE

1шт.

63

140048

BELLEVILLE WASHER,M16 Bolt Size x 32mm OD x 2.8mm Thk

1шт.

64

825-1416

NUT,M16, Cl 8

1шт.

Выбрано товаров: 57