Качественные детали и логистика
Оригинальные и аналоговые запчасти с доставкой по России, Казахстану и Беларуси
©2022 PartSell ООО "Система" ИНН 2463123282 ОГРН 1212400004838
Центральный офис: г. Красноярск, Академика Киренского, д.87, пом.4
Телефон: 8 (800) 777-65-74 Email: zakaz@partsell.ru
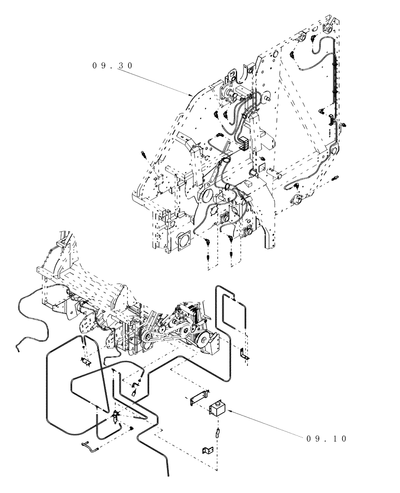
(SECTION 09[RBX463]) - PICTORIAL INDEX, LUBRICATION
№
Артикул
Название
Примечание
Количество
09.10
LUBRICATION OILER, EUROPE & R.O.W.
1шт.
09.11
LUBRICATION, OILER PUMP
Выбрано товаров: 0