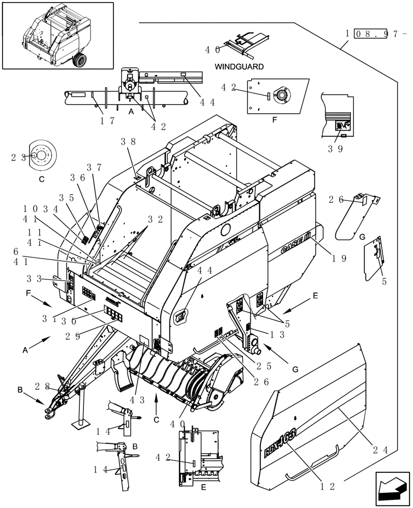
Запчасти Case IH RBX463 (08.97[4]) - DECALS, LH, EUROPE & R.O.W. (08) - SHEET METAL/DECALS

Схема запчастей Case IH RBX463 - (08.97[4]) - DECALS, LH, EUROPE & R.O.W. (08) - SHEET METAL/DECALS
41
33
26
5
41
14
24
29
39
44
42
41
08.97-3
36
40
31
12
43
32
10
28
17
42
34
35
6
42
5
30
37
11
19
38
13
1
44
14
23
25
26
40
FIT
1:1
100%

Артикул

Название

Примечание

Количество

1

87055490

DECAL KIT

Includes: Decals Shown in Fig. 08.97-3, 08.97-4 & Decal Placement Guide.

1шт.

5

9846526

DECAL

Tailgate

4шт.

6

NS

NOT SERVICED

Model Plate

1шт.

10

NS

NOT SERVICED

Factory Plate

1шт.

11

NS

NOT SERVICED

EC Plate

1шт.

12

87056428

DECAL

RBX463

1шт.

13

84078384

DECAL

2шт.

19

86979656

DECAL

LH Stripe, CIH

1шт.

23

86636717

DECAL

Circle

2шт.

24

87016866

DECAL

LH, Front Stripe

1шт.

25

84004736

DANGER DECAL

2шт.

26

84004734

WARNING DECAL

4шт.

27

86979306

EMBLEM

CIH Logo

1шт.

28

730650

DECAL

540 RPM

1шт.

29

86518436

WARNING DECAL

1шт.

30

86642359

DANGER DECAL

Electric Risk

1шт.

31

84014114

CAUTION DECAL

1шт.

All Net Units

1шт.

32

86643977

ANTI-SKID STRIP,4” x 40”, Black

Safety Step, 4" x 40"

3шт.

33

86642358

DECAL

Cut

1шт.

34

86619208

DECAL

Latch Closed

1шт.

All Electric Twine Wrap Units

1шт.

35

86619207

DECAL

Latch Open

1шт.

All Electric Twine Wrap Units

1шт.

36

86619205

DECAL

Bale Size

1шт.

All Electric Twine Wrap Units

1шт.

37

86978512

DECAL

Bale Stop

1шт.

All Electric Twine Wrap Units

1шт.

38

449973

DECAL

2шт.

39

86642356

DECAL

Net Routing

1шт.

All Net Units

1шт.

40

86619595

DECAL

Stripe, White & Black

2шт.

All Rotor Units

1шт.

41

425520

RIVET,Pop, 3.96mm OD x 10.4mm L

Blind, 4 x 10

2шт.

42

165109

DECAL

Lube Fitting

4шт.

43

NSS

NOT SOLD SEPARAT

DECAL, Park Brake

1шт.

All Italy Units

1шт.

44

87037743

WARNING DECAL

Net Knife

3шт.

Выбрано товаров: 38