Запчасти Case IH RBX552 (15.23) - TWINE INDICATOR (15) - KNOTTER /WRAPPER

Схема запчастей Case IH RBX552 - (15.23) - TWINE INDICATOR (15) - KNOTTER /WRAPPER
3
4
4
34
26
24
13
22
2
26
10
36
11
25
08.36
21
12.09
28
30
20
08.35
1
31
36
12
8
2
8
5
9
7
2
15
33
29
34
29
32
35
3
21
30
29
3
34
9
12.09
11
23
16
37
15.11
11
5
18
7
36
33
20
19
14
6
15
30
8
19
7
28
20
36
FIT
1:1
100%

Артикул

Название

Примечание

Количество

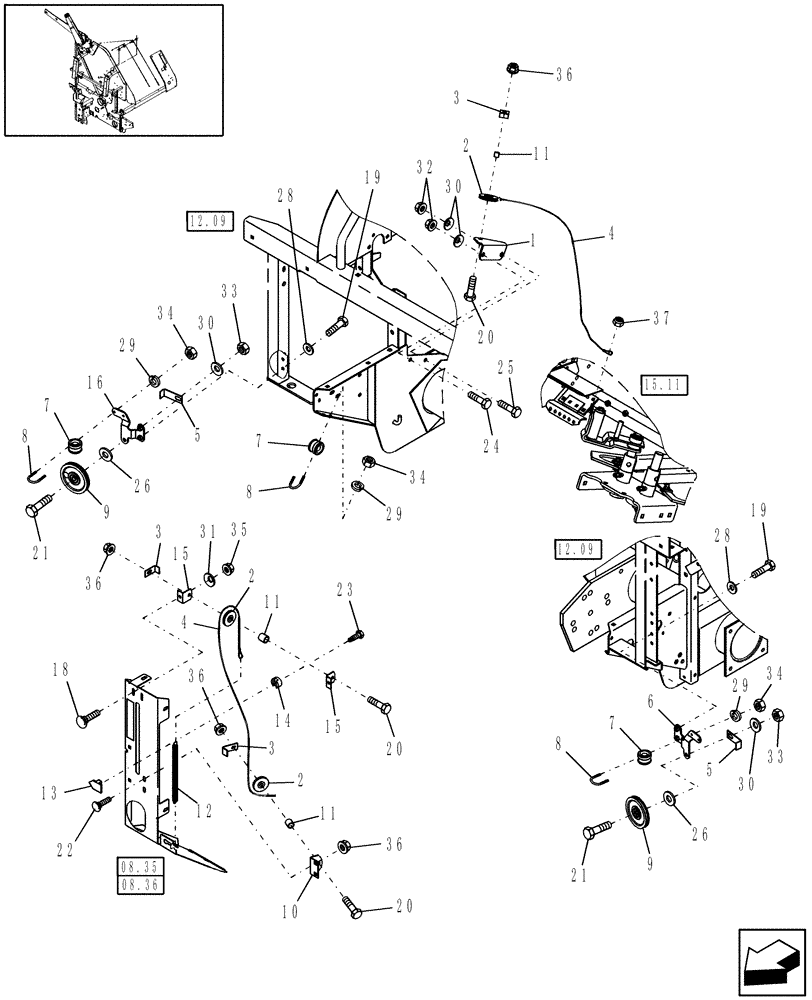
1

87023414

ANGLE

1шт.

2

510932

PULLEY,50.01mm OD

3шт.

3

689987

ANGLE

3шт.

4

86629733

CABLE

Steel

1шт.

5

86629062

GUIDE

2шт.

6

86630226

PLATE

1шт.

7

86543545

GUIDE

Cast Iron

4шт.

8

28114

U-BOLT

#10-24 x 1-15/16"

4шт.

9

86628978

PULLEY

2шт.

10

86629573

ANGLE

1шт.

11

696365

SPACER

3шт.

12

86509848

SPRING

Extension

1шт.

13

9612212

INDICATOR

1шт.

14

9619090

CAP COVER

1шт.

15

689986

ANGLE

2шт.

16

86630225

PLATE

1шт.

18

811-6016

CARRIAGE BOLT,Sht Sq Nk, M6 x 1 x 16mm, Cl 8.8

2шт.

19

614-8020

BOLT,Hex, M8 x 1.25 x 20mm

4шт.

20

614-8030

BOLT,Hex, M8 x 1.25 x 30mm, Cl 8.8, Full Thd

3шт.

21

814-10040

BOLT,Hex, M10 x 1.5 x 40mm, Cl 8.8

2шт.

22

811-8020

CARRIAGE BOLT,Sht Sq Nk, M8 x 1.25 x 20mm, Cl 8.8

2шт.

23

281020

SELF-TAP SCREW,Pan HD, #8 - 18 x 3/4"

1шт.

24

614-10020

BOLT,Hex, M10 x 1.5 x 20mm, Cl 8.8, Full Thd

1шт.

25

43140

BOLT,Hex, M10 x 1.5 x 30mm, Cl 8.8

1шт.

26

86511323

WASHER,10.5mm ID x 20mm OD x 2mm Thk

4шт.

28

322358

BELLEVILLE WASHER,M8 Bolt Size x 18mm OD x 1.4mm Thk

4шт.

29

492-11010

LOCK WASHER,#10

6шт.

30

140045

BELLEVILLE WASHER,M10 Bolt Size x 22mm OD x 1.6mm Thk

6шт.

31

322357

BELLEVILLE WASHER,M6 Bolt Size x 14mm OD x 1.3mm Thk

2шт.

32

825-2410

FLANGE NUT,M10 x 1.5, Flg, Cl 8

1шт.

33

825-1410

NUT,M10, Cl 8

2шт.

34

225-14110

NUT,#10-24

8шт.

35

825-2406

FLANGE NUT,M6 x 1, Cl 8.8

2шт.

36

825-2408

FLANGE NUT,M8 x 1.25, Flg, Cl 8

5шт.

37

832-46408

NUT,M8 x 1.25, Cl 8

1шт.

Выбрано товаров: 35