Качественные детали и логистика
Оригинальные и аналоговые запчасти с доставкой по России, Казахстану и Беларуси
©2022 PartSell ООО "Система" ИНН 2463123282 ОГРН 1212400004838
Центральный офис: г. Красноярск, Академика Киренского, д.87, пом.4
Телефон: 8 (800) 777-65-74 Email: zakaz@partsell.ru
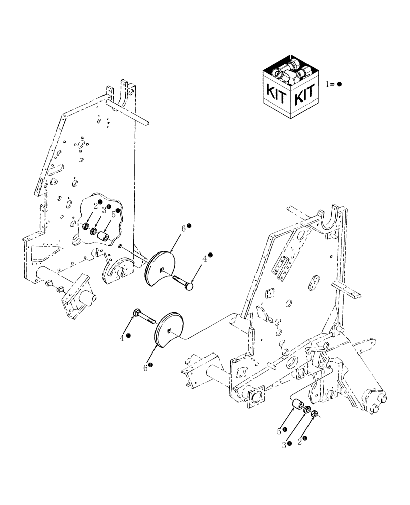
(042) - INFEED DISC KIT
№
Артикул
Название
Примечание
Количество
1
86643767
DIA KIT, HARVESTER
Infeed Disc
1шт.
Refer to Installation Instructions for Correct Assembly Procedure
2
425-108
NUT,1/2" - 13, Gr 5
2шт.
3
80679
LOCK WASHER,1/20.507 CST ZND
4
433-852
CARRIAGE BOLT,Sq Nk, 1/2" - 13 x 3 1/4", Gr 5
5
86559259
SPACER
6
86503055
DISC
Infeed
Выбрано товаров: 0