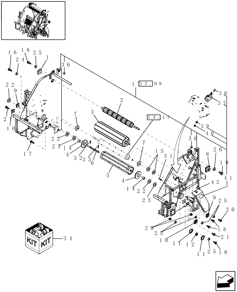
Запчасти Case IH RBX562 (14.10[1]) - MAIN FRAME & ROLLS, PRIOR TO P.I.N. HBJ0007711 (14) - BALE CHAMBER

Схема запчастей Case IH RBX562 - (14.10[1]) - MAIN FRAME & ROLLS, PRIOR TO P.I.N. HBJ0007711 (14) - BALE CHAMBER
38
40
39
15
18
14
9
2
8
9
7
32
21
18
23
22
7
16
19
25
36
5
25
12
17
26
37
33
6
24
3
10
20
11
18
10
13
1
25
25
12.09
4
22
29
41
23
34
22
14.17
21
36
11
42
14
4
31
FIT
1:1
100%

Артикул

Название

Примечание

Количество

1

86609558

BEARING ASSY,45mm ID

1шт.

2

86599042

ROLLER

Drive

1шт.

3

86600450

ROLLER

Floor, Includes: Round Rods

1шт.

4

86628106

SHIELD

2шт.

5

87374668

FEED ROLLER

Fixed Dimple, Includes: Square Rods

1шт.

6

86615691

SHAFT

2 Keyways

1шт.

7

86636760

RING

2шт.

8

86590752

BEARING ASSY

1шт.

9

86590753

BEARING ASSY

2шт.

10

86610638

BEARING ASSY,45mm ID

2шт.

11

86837676

FLANGED BEARING

4шт.

12

286909

BALL BEARING,38.11mm Hex x 84.99mm OD x 30mm W

1-1/2" Hex Bore

2шт.

13

87016736

FRAME ASSY

Main Frame

1шт.

14

86622263

HUB

2шт.

15

86619043

WASHER,45.2mm ID x 60.3mm OD x 3.68mm Thk

Plated

1шт.

16

614-10020

BOLT,Hex, M10 x 1.5 x 20mm, Cl 8.8, Full Thd

4шт.

17

274247

BOLT,Hex Flg, M10 x 16mm, Stainless

4шт.

18

614-12035

BOLT,Hex, M12 x 1.75 x 35mm, Cl 8.8, Full Thd

18шт.

19

614-16040

BOLT,Hex, M16 x 2 x 40mm, Cl 8.8, Full Thd

4шт.

20

814-12050

BOLT,Hex, M12 x 1.75 x 50mm, Cl 8.8

8шт.

21

614-12040

BOLT,Hex, M12 x 1.75 x 40mm, Cl 8.8, Full Thd

2шт.

22

58821

WASHER,45.24mm ID x 56.36mm OD x 1.65mm Thk

.060" Thk

1шт.

23

238113

WASHER

1.8" ID x .036" Thk

1шт.

24

140045

BELLEVILLE WASHER,M10 Bolt Size x 22mm OD x 1.6mm Thk

4шт.

25

140046

BELLEVILLE WASHER,M12 Bolt Size x 27mm OD x 1.8mm Thk

28шт.

26

140048

BELLEVILLE WASHER,M16 Bolt Size x 32mm OD x 2.8mm Thk

4шт.

29

829-2412

FLANGE NUT,M12 x 1.75, Flg, Cl 10

4шт.

31

219-417

LUBE NIPPLE,1/4" - 28 NPTF

2шт.

32

412689

LOCK PIN,8mm OD x 50mm L, Slotted

1шт.

33

432-1232

COTTER PIN,3/16" OD x 2" L

1шт.

34

9840158

KIT

Floor Traction, 3" x 44"

1шт.

Optional Kit used with Ref. 3, when Core Staring Problems Occur.

1шт.

36

86514470

BUSHING,35.13mm ID x 41.38mm OD x 50.04mm L

2шт.

37

87037410

HINGE

Lower, Square-Shaped

4шт.

P.I.N. HBJ039360 & After

1шт.

38

308761

CARRIAGE BOLT,M8 x 1.25 x 25mm, Cl 8.8

8шт.

P.I.N. HBJ039360 & After

1шт.

39

322358

BELLEVILLE WASHER,M8 Bolt Size x 18mm OD x 1.4mm Thk

8шт.

P.I.N. HBJ039360 & After

1шт.

40

825-2408

FLANGE NUT,M8 x 1.25, Flg, Cl 8

8шт.

P.I.N. HBJ039360 & After

1шт.

41

86631518

DANGER DECAL

English

2шт.

P.I.N. HBJ039360 & After

1шт.

41

86632801

DECAL

DANGER, French

2шт.

P.I.N. HBJ039360 & After

1шт.

42

86636753

PIN

Tailgate Latch Pivot

1шт.

Welding Required

1шт.

Выбрано товаров: 47