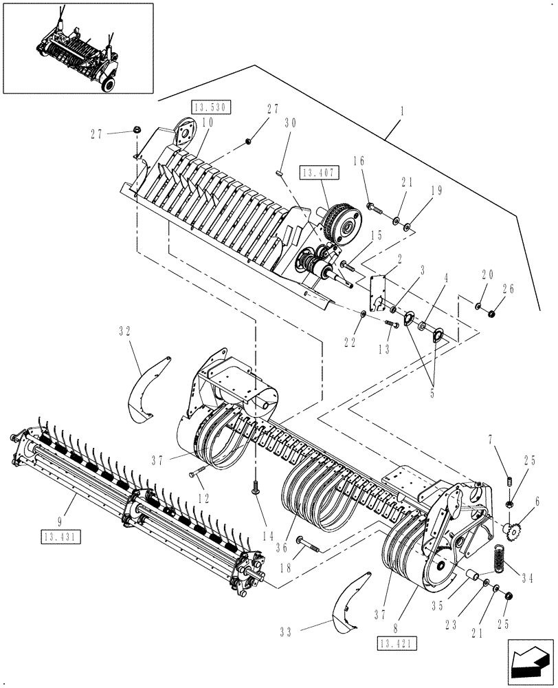
Запчасти Case IH RBX562 (13.409) - 2M WIDE PICKUP, STUFFER FEEDER, NORTH AMERICA (13) - FEEDER

Схема запчастей Case IH RBX562 - (13.409) - 2M WIDE PICKUP, STUFFER FEEDER, NORTH AMERICA (13) - FEEDER
10
34
33
16
32
27
22
5
12
37
13.530
4
7
3
19
30
6
9
37
18
36
20
2
8
1
15
21
23
21
26
13.421
25
13.431
35
13.407
25
27
14
13
FIT
1:1
100%

Артикул

Название

Примечание

Количество

1

87037382

PICK-UP

2M Wide & Stuffer Feeder

1шт.

2

86597579

PLATE

1шт.

3

455102R21

COLLAR

Locking, Includes: Set Screw

1шт.

4

214366C91

BALL BEARING,25.40mm ID x 52mm OD

Ball

1шт.

5

86603075

FLANGE,Bearing, 52.01 mm ID x 95.3 mm OD x 8.7 mm

Bearing

2шт.

6

86610143

SPROCKET

17T, RC 50, Standard

1шт.

6

87055082

SPROCKET

18T, RC 50, Optional

1шт.

Increases Pickup Reel Speed

1шт.

7

300483

SET SCREW,M10 x 25mm

2шт.

8

0C

ORDER COMPONENTS

2M Stuffer, Wide Pickup

1шт.

9

0C

ORDER COMPONENTS

2M Spider, Stuffer

1шт.

10

0C

ORDER COMPONENTS

Stuffer Feeder

1шт.

12

614-8025

BOLT,Hex, M8 x 1.25 x 25mm, Cl 8.8, Full Thd

21шт.

13

614-12030

BOLT,Hex, M12 x 1.75 x 30mm, Cl 8.8, Full Thd

8шт.

14

811-8020

CARRIAGE BOLT,Sht Sq Nk, M8 x 1.25 x 20mm, Cl 8.8

4шт.

15

811-8030

CARRIAGE BOLT,Sht Sq Nk, M8 x 1.25 x 30mm, Cl 8.8

3шт.

16

844-10030

BOLT,Hvy Hex, M10 x 30mm, Cl 8.8

6шт.

18

86512447

CARRIAGE BOLT,Short Square Neck, M10 x 60mm, Class 8.8

2шт.

19

495-21044

WASHER,3/8"

6шт.

20

322358

BELLEVILLE WASHER,M8 Bolt Size x 18mm OD x 1.4mm Thk

3шт.

21

140045

BELLEVILLE WASHER,M10 Bolt Size x 22mm OD x 1.6mm Thk

6шт.

22

140046

BELLEVILLE WASHER,M12 Bolt Size x 27mm OD x 1.8mm Thk

8шт.

23

48917

WASHER

15/32" ID

2шт.

25

825-1410

NUT,M10, Cl 8

4шт.

26

825-2408

FLANGE NUT,M8 x 1.25, Flg, Cl 8

3шт.

27

832-46408

NUT,M8 x 1.25, Cl 8

25шт.

30

126-24

WOODRUFF KEY,#15, 1/4" x 1"

1шт.

32

87053732

GUARD

RH

1шт.

Optional for Improved Feeding

1шт.

33

87053734

GUARD

LH

1шт.

Optional for Improved Feeding

1шт.

34

86622143

SPRING

2шт.

35

87051682

SPACER

2шт.

36

87055363

GUARD ASSY.

21шт.

37

86643381

GUARD

10шт.

Выбрано товаров: 35