Качественные детали и логистика
Оригинальные и аналоговые запчасти с доставкой по России, Казахстану и Беларуси
©2022 PartSell ООО "Система" ИНН 2463123282 ОГРН 1212400004838
Центральный офис: г. Красноярск, Академика Киренского, д.87, пом.4
Телефон: 8 (800) 777-65-74 Email: zakaz@partsell.ru
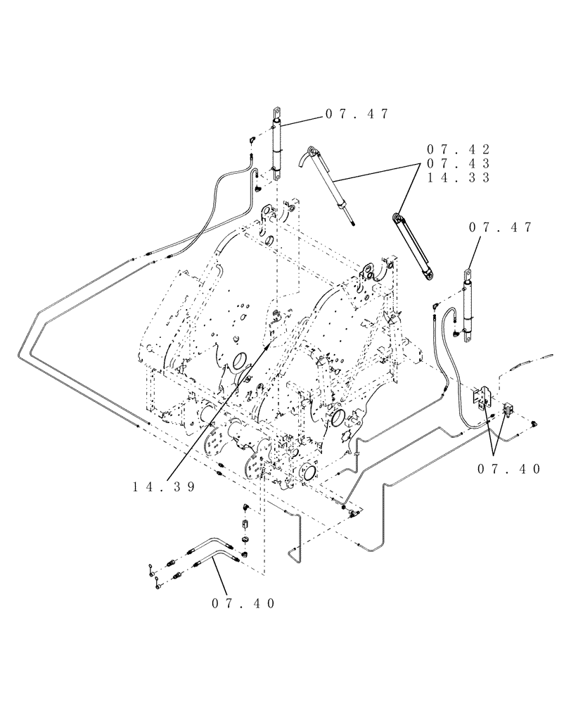
(SECTION 07[RBX563]) - PICTORIAL INDEX, HYDRAULICS
№
Артикул
Название
Примечание
Количество
07.40
HYDRAULICS, NORTH AMERICA
1шт.
07.42
HYDRAULICS, BALE TENSION, DOUBLE CYLINDER
07.43
HYDRAULICS, BALE TENSION CYLINDERS
07.47
HYDRAULIC CYLINDER, TAILGATE LIFT
14.33
BELT TENSION
14.39
TAILGATE LATCH
Выбрано товаров: 0