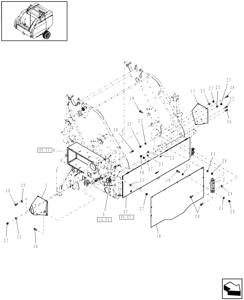
Запчасти Case IH RBX563 (08.57[1]) - SHIELDS, BALE COMMAND™, TWINE, PRIOR TO P.I.N. Y6N016413 (08) - SHEET METAL/DECALS

Схема запчастей Case IH RBX563 - (08.57[1]) - SHIELDS, BALE COMMAND™, TWINE, PRIOR TO P.I.N. Y6N016413 (08) - SHEET METAL/DECALS
24
27
23
27
23
24
38
38
38
38
24
17
23
38
20
27
2
27
24
27
23
37
19
38
08.54
15.02
08.63
19
29
1
23
11
9
10
23
23
4
27
22
29
FIT
1:1
100%

Артикул

Название

Примечание

Количество

1

87054697

SHEET ASSY.

RH

1шт.

2

87046080

ANGLE

2шт.

4

0C

ORDER COMPONENTS

Electric Twine Wrap

1шт.

9

0C

ORDER COMPONENTS

Twine Box

1шт.

10

87046106

SHIELD

Rubber

1шт.

11

87054696

SHEET ASSY.

LH

1шт.

17

844-6020

BOLT,Hvy Hex, M6 x 20mm, Cl 8.8

1шт.

19

844-8020

BOLT,Hvy Hex, M8 x 20mm, Cl 8.8

8шт.

20

811-8020

CARRIAGE BOLT,Sht Sq Nk, M8 x 1.25 x 20mm, Cl 8.8

4шт.

22

322357

BELLEVILLE WASHER,M6 Bolt Size x 14mm OD x 1.3mm Thk

1шт.

23

322358

BELLEVILLE WASHER,M8 Bolt Size x 18mm OD x 1.4mm Thk

10шт.

24

495-21038

WASHER,5/16"

14шт.

26

825-2406

FLANGE NUT,M6 x 1, Cl 8.8

1шт.

27

825-2408

FLANGE NUT,M8 x 1.25, Flg, Cl 8

10шт.

29

832-46408

NUT,M8 x 1.25, Cl 8

8шт.

37

87014359

DOOR ASSY.

Includes: Decals

1шт.

Decals are Not Illustrated in this Figure. Refer to Decal Figure for Proper Decal Location.

1шт.

38

86511841

BOLT,Flng, M8 x 1.25 x 16mm, Full Thd, Cl 8.8

7шт.

Выбрано товаров: 18