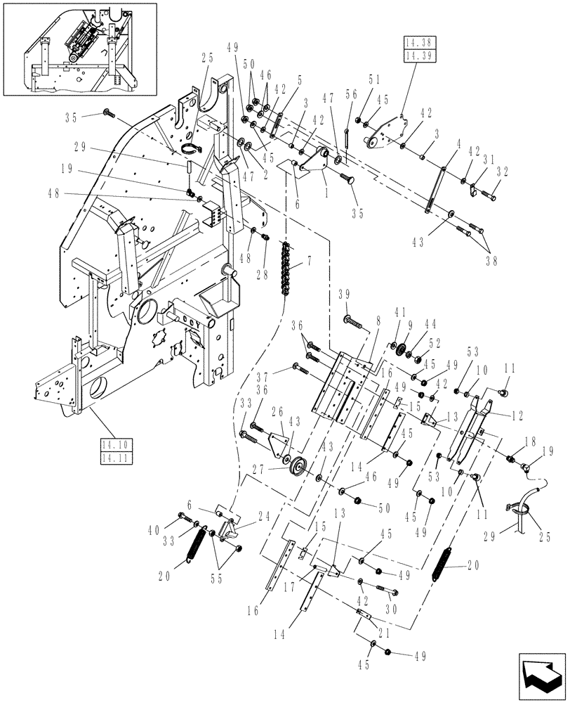
Запчасти Case IH RBX563 (12.10) - DECLUTCH (12) - MAIN FRAME

Схема запчастей Case IH RBX563 - (12.10) - DECLUTCH (12) - MAIN FRAME
11
48
13
42
30
29
45
6
3
50
44
45
19
39
49
24
17
10
49
15
49
33
45
49
45
19
56
20
14.10
14
11
43
14.39
14.38
43
55
47
9
42
14.11
48
35
1
40
3
26
18
36
6
14
49
42
25
33
16
32
25
41
2
13
27
4
28
42
52
47
20
36
37
53
8
29
10
38
42
49
43
51
15
45
50
12
45
49
42
46
16
53
35
31
5
21
45
7
46
FIT
1:1
100%

Артикул

Название

Примечание

Количество

1

86624729

ARM

1шт.

2

134463

WASHER,.030" Thk

1шт.

3

768703

BUSHING,10.31mm ID x 15.88mm OD x 11.13mm L

Split

1шт.

4

86636884

BAR

1шт.

5

9806892

BAR

1шт.

6

9621737

HUB

3шт.

7

9617629

CHAIN,41 Links x 12.7mm Pitch = 520.7mm L

ISO 1275, Riveted-Type, 41 Pitches, Includes: Ref. 57

1шт.

8

87020601

CHANNEL

1шт.

9

103243

DRIVEN SPROCKET

18T, Idler

1шт.

10

86636890

SPACER

6шт.

11

86617019

CAM FOLLOWER

6шт.

12

87017693

FORK

1шт.

13

86636785

ANGLE

2шт.

14

86636784

BAR

2шт.

15

86636889

SHIM

1шт.

16

86636874

BAR

2шт.

17

223655

TUBE,0.375" OD, 4.5" Length

1шт.

18

86580291

ADAPTER,1/8" - 27 x 1/4" - 28

Straight

1шт.

19

48564

90 ELBOW,90 Degree, 11/16" x 5/8", 1/8" NPT

Includes: 13362 Sleeve & 13367 Nut

2шт.

20

86559592

SPRING,Extension, 0.99" OD x 6-1/4" L

Extension

2шт.

21

86636797

ANGLE

1шт.

22

86636875

BRACKET

1шт.

23

9803024

CHAIN

Includes: Ref. 57

1шт.

24

9842331

BLOCK

1шт.

25

263117

CABLE TIE,292.1mm L, Nylon, Black

CABLE STRAP

1шт.

26

86611855

PLATE

1шт.

27

86636724

IDLER,101.6mm Idler Dia x 115.49mm OD x 37.31mm W

1шт.

28

86050275

LUBE NIPPLE

1/8" NPT, Female

1шт.

29

87014413

TUBE,4.80 mm OD x 1850 mm L

Lube Line, 3/16" x 6'

1шт.

Cut to Size Required

1шт.

30

331168

BOLT,Hex, M10 x 1.5 x 140mm, Cl 8.8

1шт.

31

134579

WIRE CLAMP,J

1шт.

32

120068

BOLT,Hex, M10 x 40mm, Cl 8.8

1шт.

33

9804270

BOLT,Hex, M12 x 60mm, Cl 8.8

1шт.

35

86512446

CARRIAGE BOLT,M10 x 1.5 x 30mm, Cl 8.8

9шт.

36

374892

CARRIAGE BOLT,M10 x 1.5 x 40mm, Cl 8.8

11шт.

37

350459

CARRIAGE BOLT,Rnd Head, M10 x 1.5 x 50mm, Full Thd, Cl 8.8

1шт.

38

9706687

BOLT,M12 x 1.75 x 30mm, Cl 8.8

2шт.

39

280667

CARRIAGE BOLT,Sht Sq Nk, 5/8" - 11 x 2 1/4", Gr 5

1шт.

41

87365

WASHER,0.66" ID x 1.31" OD x 0.1" Thk

1шт.

42

86511323

WASHER,10.5mm ID x 20mm OD x 2mm Thk

6шт.

43

65319

WASHER,13.1mm ID x 25.4mm OD x 3.68mm Thk

4шт.

44

86729275

LOCK WASHER,5/8 0.634 CST ZND

1шт.

45

140045

BELLEVILLE WASHER,M10 Bolt Size x 22mm OD x 1.6mm Thk

22шт.

46

140046

BELLEVILLE WASHER,M12 Bolt Size x 27mm OD x 1.8mm Thk

3шт.

47

87367

WASHER,1.06" ID x 2" OD x 0.13" Thk

2шт.

48

87016

WASHER,0.41" ID x 0.81" OD x 0.07" Thk

2шт.

49

9804278

FLANGE NUT,M10 x 1.5, Cl 8

22шт.

50

9804279

FLANGE NUT,Hex, M12, Cl 8

2шт.

51

100016

NUT,M10 x 1.5, Cl 8

1шт.

52

280374

NUT,Hex, 5/8" - 11, Gr 5

1шт.

53

280474

NUT,7/16"-20, GC

6шт.

56

87398

COTTER PIN,3/16" OD x 1-1/4" OAL

1шт.

57

9828102

CONNECTING LINK

1шт.

Not Illustrated

1шт.

Выбрано товаров: 55