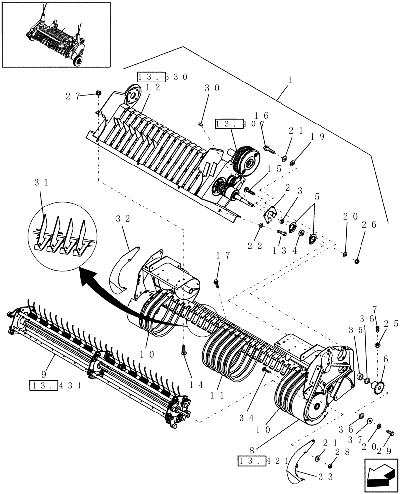
Запчасти Case IH RBX563 (13.409) - 2M WIDE PICKUP, STUFFER FEEDER, NORTH AMERICA (13) - FEEDER

Схема запчастей Case IH RBX563 - (13.409) - 2M WIDE PICKUP, STUFFER FEEDER, NORTH AMERICA (13) - FEEDER
28
29
32
36
10
17
31
3
14
33
9
13
34
13.431
13.407
13.421
22
4
27
15
11
16
37
36
5
12
13.530
6
10
21
26
25
1
35
30
2
20
8
7
19
21
20
FIT
1:1
100%

Артикул

Название

Примечание

Количество

1

87056380

PICK-UP

2M Wide & Stuffer Feeder, Dual Crank

1шт.

Prior to P.I.N. Y6N017251

1шт.

1

87515493

PICK-UP

2M Wide & Stuffer Feeder, Center Crank

1шт.

P.I.N. Y6N017252 & After

1шт.

2

87042087

PLATE

1шт.

3

455102R21

COLLAR

Locking, Includes: Set Screw

1шт.

4

214366C91

BALL BEARING,25.40mm ID x 52mm OD

Ball

1шт.

5

86603075

FLANGE,Bearing, 52.01 mm ID x 95.3 mm OD x 8.7 mm

Bearing

2шт.

6

86610143

SPROCKET

17T, RC 50, Standard

1шт.

Prior to P.I.N. Y6N017251

1шт.

6

87055082

SPROCKET

18T, RC 50, Optional

1шт.

Increases Pickup Reel Speed

1шт.

6

87397998

SPROCKET

17T, RC 50

1шт.

P.I.N. Y6N017252 & After

1шт.

7

300483

SET SCREW,M10 x 25mm

2шт.

8

0C

ORDER COMPONENTS

2M Stuffer, Wide Pickup

1шт.

9

0C

ORDER COMPONENTS

2M Spider, Stuffer

1шт.

10

86643381

GUARD

10шт.

11

87055363

GUARD ASSY.

21шт.

12

0C

ORDER COMPONENTS

Stuffer Feeder, Dual Crank {88021912}

1шт.

Prior to P.I.N. Y6N017251

1шт.

12

0C

ORDER COMPONENTS

Stuffer Feeder, Center Crank {87046253}

1шт.

P.I.N. Y6N017252 & After

1шт.

13

614-12030

BOLT,Hex, M12 x 1.75 x 30mm, Cl 8.8, Full Thd

8шт.

14

811-8020

CARRIAGE BOLT,Sht Sq Nk, M8 x 1.25 x 20mm, Cl 8.8

4шт.

15

811-8030

CARRIAGE BOLT,Sht Sq Nk, M8 x 1.25 x 30mm, Cl 8.8

3шт.

16

844-10030

BOLT,Hvy Hex, M10 x 30mm, Cl 8.8

4шт.

17

87039762

SELF-TAP SCREW,Hex Wash Hd, 5/16"-18 x 5/8"

124шт.

19

495-21044

WASHER,3/8"

4шт.

20

322358

BELLEVILLE WASHER,M8 Bolt Size x 18mm OD x 1.4mm Thk

3шт.

21

140045

BELLEVILLE WASHER,M10 Bolt Size x 22mm OD x 1.6mm Thk

4шт.

22

140046

BELLEVILLE WASHER,M12 Bolt Size x 27mm OD x 1.8mm Thk

8шт.

25

825-1410

NUT,M10, Cl 8

2шт.

26

825-2408

FLANGE NUT,M8 x 1.25, Flg, Cl 8

3шт.

27

832-46408

NUT,M8 x 1.25, Cl 8

4шт.

28

9804278

FLANGE NUT,M10 x 1.5, Cl 8

2шт.

29

43127

BOLT,Hex, M8 x 1.25 x 25mm, Cl 8.8

1шт.

30

126-24

WOODRUFF KEY,#15, 1/4" x 1"

1шт.

31

87034858

FILLER

Filler, Optional

31шт.

Welding Required

1шт.

32

87053732

GUARD

RH

1шт.

Optional for Improved Feeding

1шт.

33

87053734

GUARD

LH

1шт.

Optional for Improved Feeding

1шт.

34

86512446

CARRIAGE BOLT,M10 x 1.5 x 30mm, Cl 8.8

2шт.

35

36686

SPACER

1шт.

36

245531

WASHER,25.53mm ID x 31.24mm OD x 1.65mm Thk

3шт.

37

58225

WASHER,10.32mm ID x 31.8mm OD x 3.45mm Thk

1шт.

Выбрано товаров: 48