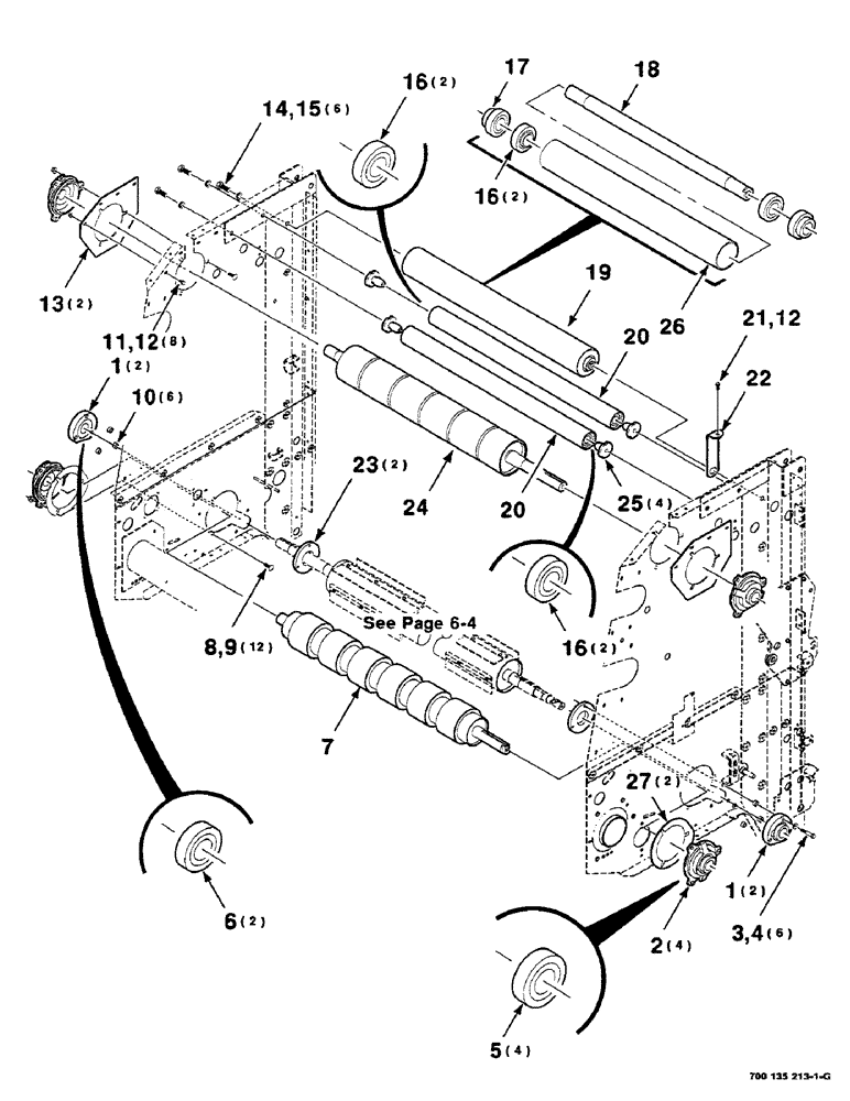
Запчасти Case IH RS451 (6-02) - ROLLER ASSEMBLIES, UPPER (14) - BALE CHAMBER

Схема запчастей Case IH RS451 - (6-02) - ROLLER ASSEMBLIES, UPPER (14) - BALE CHAMBER
8
13
14
3
17
6
1
7
16
24
11
25
15
12
16
9
18
20
1
27
19
12
10
20
16
4
26
23
5
2
21
22
FIT
1:1
100%

Артикул

Название

Примечание

Количество

1

700135023

HOUSING

ASSEMBLY (Includes item 6)

4шт.

2

700132410

BEARING ASSY,50.8 mm ID x 100 mm OD x 10, 7 mm

BEARING - Asm (Includes item 5)

4шт.

3

703736

BOLT,Hex, 1/2" - 13 x 2 3/4", Gr 5

1/2-13 X 2-3/4 C

6шт.

4

705541

WASHER,0.53" ID x 1.06" OD x 0.14" Thk

1/2 HARDENED PLAIN WASHER

6шт.

5

712158

SPHERICAL BEARING,2" ID x 100 mm OD

BEARING - spherical

4шт.

6

712158

SPHERICAL BEARING,2" ID x 100 mm OD

BEARING - spherical

2шт.

7

700135458

ROLLER

ASSEMBLY

1шт.

8

433-824

CARRIAGE BOLT,Sq Nk, 1/2" - 13 x 1 1/2", Gr 5

1/2-13 X 1-1/2 RHSNB

12шт.

9

231-5348

FLANGE NUT,Flg, 1/2"-13

1/2-13 HFTLN GR/G

12шт.

10

214817

SPACER

6шт.

11

409-7612

BOLT,3/8"-16 x 1.09" OAL

3/8-16 X 3/4 HWHMS

8шт.

12

232-5316

FLANGE NUT,Flg, 3/8"-16

3/8-16 HFTLN GR/G

9шт.

13

700135945

PLATE

2шт.

14

413-1232

BOLT,Hex, 3/4" - 10 x 2", Gr 5

6шт.

15

492-11075

LOCK WASHER,3/4"

3/4"

6шт.

16

8050825

BEARING, ROLLER, CYL,38.1 mm ID x 80 mm OD x 30.163 mm

- cylindrical

6шт.

17

F82059

BEARING ASSY,38.1mm ID x 80mm OD x 22mm W

BEARING - cylindrical

1шт.

18

700135490

SHAFT

1шт.

19

700135486

ROLLER

- assembly

1шт.

20

700116217

ROLL

ER ASSEMBLY (Includes item 16)

2шт.

21

121-226

SERRATED BOLT,Hex, 3/8" - 16 x 1"

1шт.

22

700135439

SUPPORT

- roller

1шт.

23

700135117

RING

- grass

2шт.

24

700717816

ROLLER

- rubber

1шт.

25

700100927

HUB

4шт.

26

700135488

ROLLER

WA

1шт.

27

700135931

COVER

2шт.

Выбрано товаров: 27