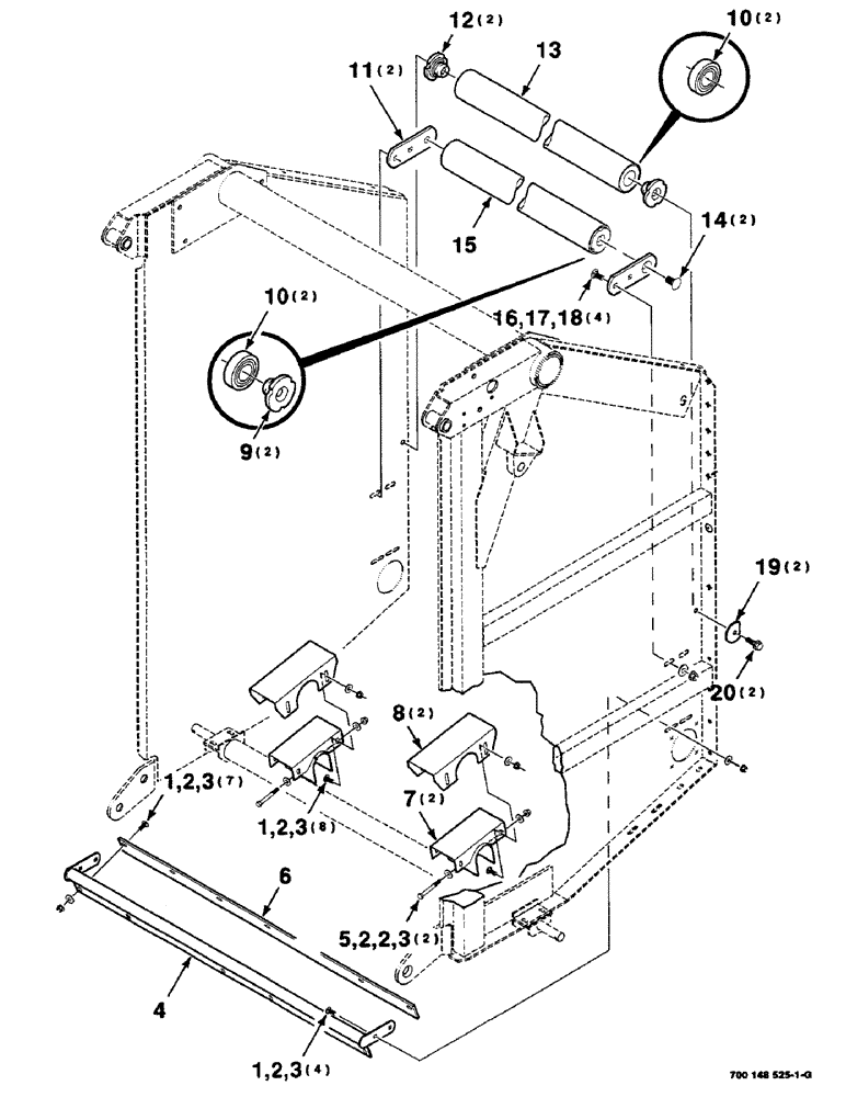
Запчасти Case IH RS451 (6-06) - TAILGATE SUPPORT ASSEMBLIES (14) - BALE CHAMBER

Схема запчастей Case IH RS451 - (6-06) - TAILGATE SUPPORT ASSEMBLIES (14) - BALE CHAMBER
12
10
3
16
14
15
10
7
20
17
2
3
1
2
2
5
4
9
1
2
13
18
3
8
2
11
19
1
3
6
FIT
1:1
100%

Артикул

Название

Примечание

Количество

1

434-616

CARRIAGE BOLT,Sht Sq Nk, 3/8" - 16 x 1", Gr 5

3/8-16 X 1 RHSNB

19шт.

2

496-81010

WASHER

3/8 HARDENED WIDE PLAIN WASHER

23шт.

3

232-5316

FLANGE NUT,Flg, 3/8"-16

3/8-16 HFTLN GR/G

21шт.

4

700148678

MOUNTING PARTS

MOUNTING WA

1шт.

5

413-652

BOLT,Hex, 3/8" - 16 x 3-1/4", Gr 5

2шт.

6

700148682

SCRAPER

1шт.

7

700148787

SUPPORT

WA

2шт.

8

700148714

SUPPORT

2шт.

9

700100927

HUB

2шт.

10

8050825

BEARING, ROLLER, CYL,38.1 mm ID x 80 mm OD x 30.163 mm

- cylindrical

4шт.

11

700148683

STRAP

2шт.

12

700718217

HUB

2шт.

13

700116217

ROLL

ER - assembly (Includes item 10)

1шт.

14

700707981

SCREW,FLAT, 3/4" - 10 x 1-3/4"

3/4-10 X 1-3/4 HSFCHCS

2шт.

15

700148685

ROLLER

- assembly (Includes items 9 & 10)

1шт.

16

433-820

CARRIAGE BOLT,Sq Nk, 1/2" - 13 x 1 1/4", Gr 5

1/2-13 X 1-1/4 RHSNB

4шт.

17

700711557

WASHER

1/2 HARDENED WIDE PLAIN WASHER

4шт.

18

231-5348

FLANGE NUT,Flg, 1/2"-13

1/2-13 HFTLN GR/G

4шт.

19

700151502

WASHER

- special

2шт.

20

8701237

BOLT

1/2-13 X 1-1/2 HFS GR8

2шт.

Выбрано товаров: 20