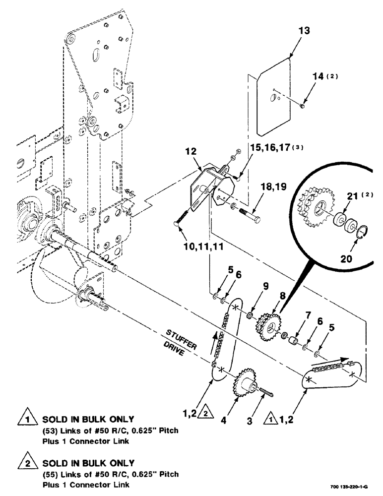
Запчасти Case IH RS451 (2-24) - STUFFER DRIVE ASSEMBLY Driveline

Схема запчастей Case IH RS451 - (2-24) - STUFFER DRIVE ASSEMBLY Driveline
19
11
8
14
6
9
2
1
5
11
6
5
21
20
3
2
7
17
10
13
16
18
15
1
12
4
FIT
1:1
100%

Артикул

Название

Примечание

Количество

1

7086002

CHAIN (AG)

CHAIN - roller, #60 (10 Foot Bulk)

2шт.

2

241-1316

LINK,19.05mm Pitch

LINK - connector, #60 R/C

2шт.

3

861468

KEY

5/16 X 2-3/4 GIB KEY

1шт.

4

700135575

SPROCKET ASSY.

SPROCKET WA - 23 tooth

1шт.

5

95-81182

WASHER,0.81" ID x 1.25" OD x 0.07" Thk

3/4 X 14 GAUGE NRMB

2шт.

6

95-81051

WASHER,19.84mm ID x 31.75mm OD x 3.81mm Thk

3/4 X 10 GAUGE NRMB

2шт.

7

700105787

SPACER

1шт.

8

700135570

SPROCKET ASSY.

SPROCKET ASSEMBLY (Includes items 20 and 21)

1шт.

9

700135550

SPACER

1шт.

10

7770787

FITTING,Sq Nk, 1/2" - 13 x 4", Gr 5, Full Thd

1/2-13 X 4 FTRHSNB

1шт.

11

425-108

NUT,1/2" - 13, Gr 5

NUT, , Hex 1/2"-13, G5

2шт.

12

700135564

MOUNTING PARTS

MOUNTING WA

1шт.

13

700135944

SHIELD

1шт.

14

7883366

SCREW,Hex Washer, 3/8" - 16 x 1/2"

3/8-16 X 1/2 HWHMS

2шт.

15

433-620

CARRIAGE BOLT,Sq Nk, 3/8" - 16 x 1 1/4", Gr 5

BOLT, CARRIAGE, Short NK, 3/8"-16 x 1 1/4", G5

3шт.

16

496-11041

WASHER,13/32" x 13/16" x .065", HDN

3/8 HARDENED PLAIN WASHER

3шт.

17

232-5316

FLANGE NUT,Flg, 3/8"-16

3/8-16 HFTLN GR/G

3шт.

18

413-1272

BOLT,Hex, 3/4" - 10 x 4-1/2", Gr 5

3/4-10 X 4-1/2 C

1шт.

19

492-11075

LOCK WASHER,3/4"

3/4"

1шт.

20

100-21175

SNAP RING,1.75", Int, #175

Ring, Snap, 1.75", Int, #175

2шт.

21

T39594

BALL BEARING,0.7505" ID x 1.7805" OD x 0.61"

BEARING

1шт.

Выбрано товаров: 21