Запчасти Case IH RS451 (4-24) - ELECTRICAL CONTROL BOX ASSEMBLY, WITHOUT MESH WRAP, 700716953 ELECTRICAL CONTROL BOX ASSY. COMPLETE (06) - ELECTRICAL

Схема запчастей Case IH RS451 - (4-24) - ELECTRICAL CONTROL BOX ASSEMBLY, WITHOUT MESH WRAP, 700716953 ELECTRICAL CONTROL BOX ASSY. COMPLETE (06) - ELECTRICAL
20
7
19
12
2
8
9
13
10
1
8
3
14
15
16
11
6
17
18
4
21
5
2
FIT
1:1
100%

Артикул

Название

Примечание

Количество

700716953

CASE

CONTROL BOX ASSEMBLY

1шт.

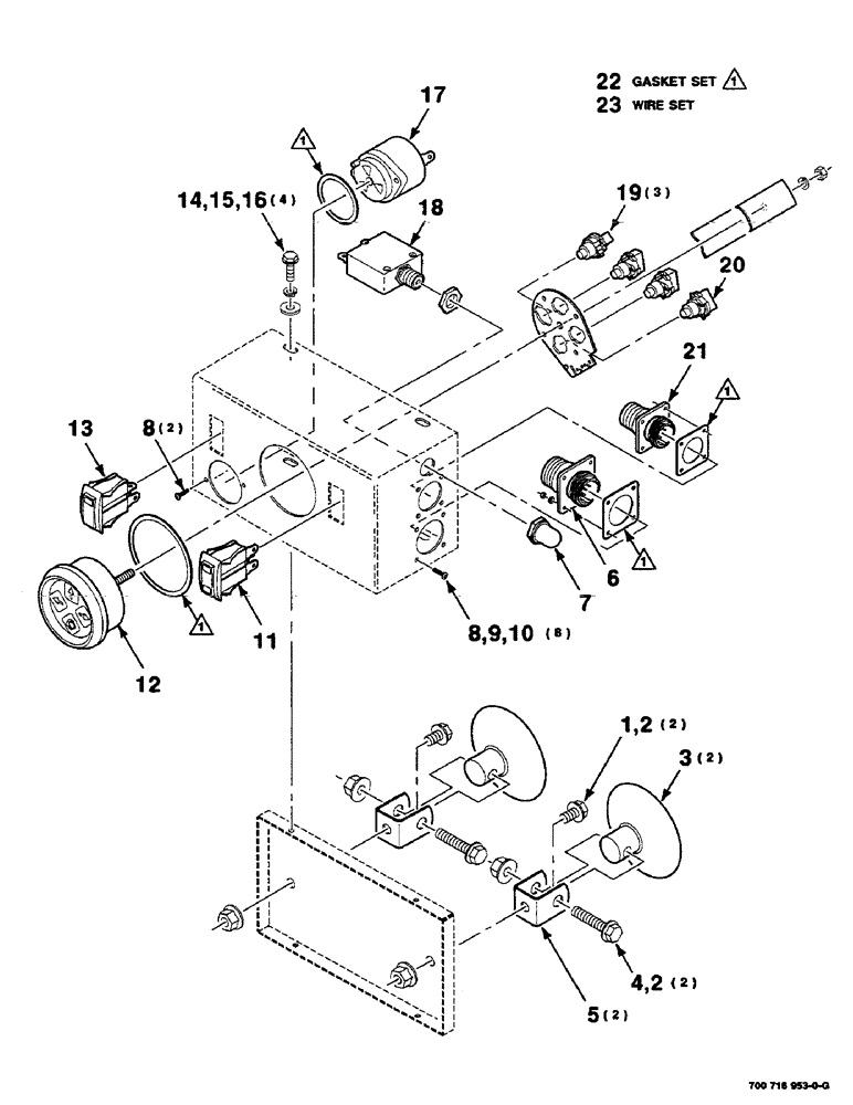
1

256873

BOLT,Hex Serr, 5/16" - 18 x 1/2", 5SPL, Full Thd

2шт.

2

232-5315

FLANGE NUT,Flg, 5/16"-18

5/16-18 HFTLN GR/G

4шт.

3

700714802

CUP

- suction

2шт.

4

409-7524

BOLT,Hex Flg, 5/16" - 18 x 1 1/2", Spcl

5/16-18 X 1-1/2 HFSS

2шт.

5

700132408

MOUNTING PARTS

MOUNTING

2шт.

6

700707758

CONTAINER

9 PIN AMP RECEPTACLE

1шт.

7

700716260

COVER

- fuse

1шт.

8

182-5

SCREW,Sl Pan Hd, #4 - 40 x 3/8"

10шт.

9

492-11004

LOCK WASHER,#4

Washer, Lock, #4

8шт.

10

225-14104

NUT,#4-40

8шт.

11

700714798

SWITCH

- full bale

1шт.

12

700716955

LIGHT

DISPLAY MODULE (Includes hardware)

1шт.

13

700714799

SWITCH

- power

1шт.

14

7884331

SCREW

#10-32 X 1/2 HWHTCTS

4шт.

15

492-11010

LOCK WASHER,#10

WASHER, LOCK, #10

4шт.

16

195-513

WASHER,#10

PLAIN WASHER #10

4шт.

17

700703984

INDICATOR

- audio

1шт.

18

700701663

BREAKER

CIRCUIT BREAKER

1шт.

19

700716956

BULB

LAMP ASSEMBLY - led, green

3шт.

20

700716958

LAMP

ASSEMBLY - led, red

1шт.

21

700707757

CONTAINER

4 PIN AMP RECEPTACLE

1шт.

22

700716255

KIT

GASKET SET

1шт.

23

700716695

HARNESS

WIRE SET

1шт.

Выбрано товаров: 0