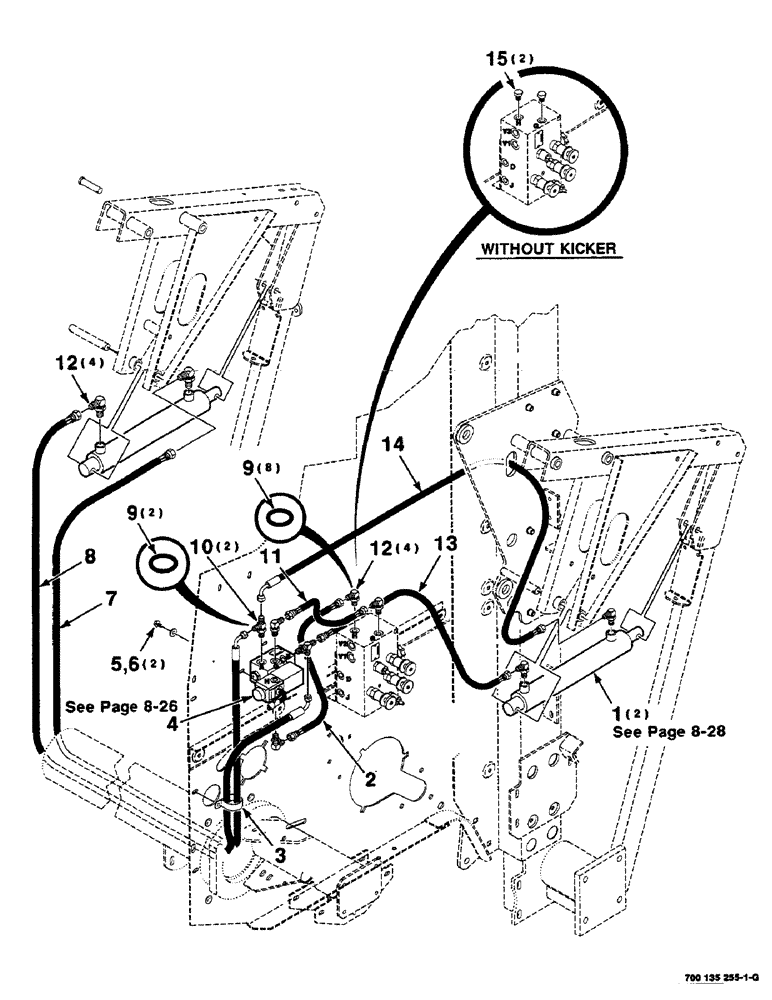
Запчасти Case IH RS451 (8-24) - KICKER HYDRAULIC ASSEMBLY (07) - HYDRAULICS

Схема запчастей Case IH RS451 - (8-24) - KICKER HYDRAULIC ASSEMBLY (07) - HYDRAULICS
10
4
5
12
14
11
9
15
13
1
8
12
9
2
7
6
FIT
1:1
100%

Артикул

Название

Примечание

Количество

1

700714707

CYLINDER

ASSEMBLY - hydraulic

2шт.

2

700718466

HYDRAULIC HOSE,0.38" ID x 11.81", SAE J516, SAE J343

HOSE - hydraulic

1шт.

3

515-23444

CLAMP,1 3/4", Insul, 3/8" Bolt

- line

1шт.

4

700714785

MANIFOLD

VALVE

1шт.

5

256873

BOLT,Hex Serr, 5/16" - 18 x 1/2", 5SPL, Full Thd

2шт.

6

495-61034

WASHER,0.34" ID x 0.88" OD x 0.06" Thk

5/16 WIDE PLAIN WASHER

2шт.

7

700718470

HOSE

- hydraulic

1шт.

8

700718069

HOSE

- hydraulic

1шт.

9

738468

O-RING

10шт.

10

218-5243

TEE,9/16" - 18 Male JIC x 9/16" - 18 Male JIC x 9/16" - 18 Male ORB

Straight run (Includes item 9) 9/16"-18, 37º x 9/16"-18, O-Ring Run

2шт.

11

700718467

HYDRAULIC HOSE,0.38" ID x 14.96", SAE J516, SAE J343

HOSE - hydraulic

1шт.

12

218-5105

ELBOW,90 Degree Elbow, 9/16" - 18 Male JIC x 9/16" - 18 Male ORB

(Includes item 9) 90º, 9/16"-18, 37º x 9/16"-18, O-Ring

8шт.

13

700718059

HYDRAULIC HOSE,0.25" ID x 45.28", SAE100R17, SAE J517, SAE J516, SAE J343

HOSE - hydraulic

1шт.

14

700718468

HOSE

- hydraulic

1шт.

15

7746456

PLUG

- O-Ring boss

2шт.

Выбрано товаров: 15