Запчасти Case IH RS551 (6-02) - ROLLER ASSEMBLIES, UPPER (14) - BALE CHAMBER

Схема запчастей Case IH RS551 - (6-02) - ROLLER ASSEMBLIES, UPPER (14) - BALE CHAMBER
11
24
6
23
5
10
12
4
22
18
8
1
2
20
19
3
14
7
20
17
5
13
9
25
16
21
16
15
FIT
1:1
100%

Артикул

Название

Примечание

Количество

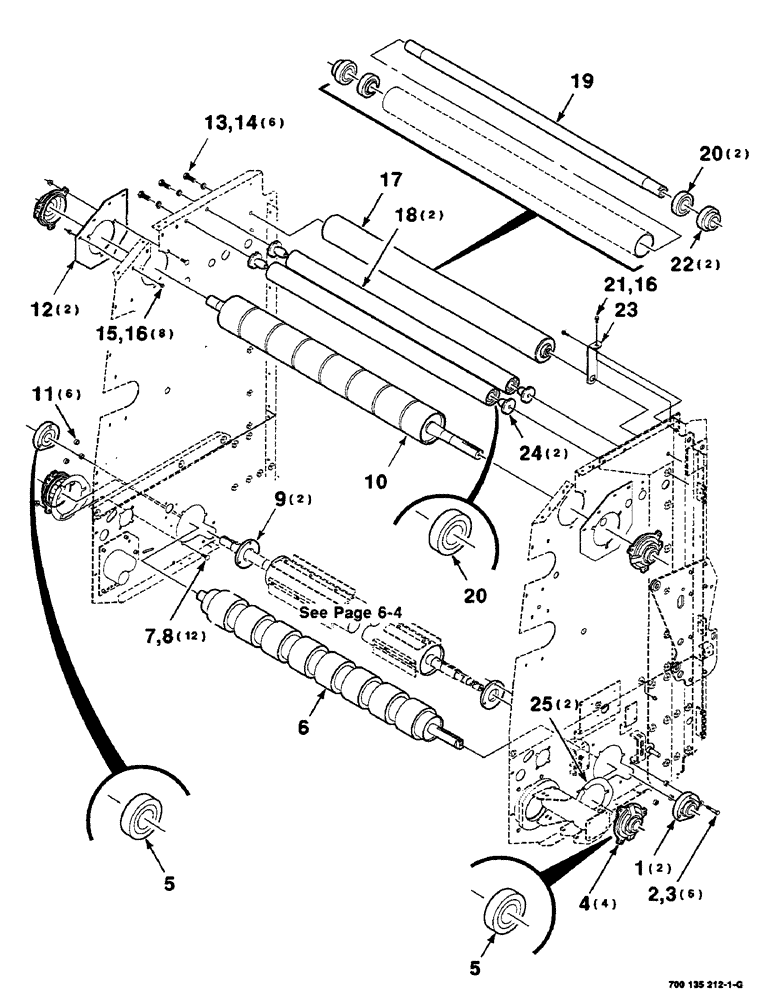
1

700135023

HOUSING

ASM (Includes item 5)

2шт.

2

703736

BOLT,Hex, 1/2" - 13 x 2 3/4", Gr 5

1/2-13 X 2-3/4 C

6шт.

3

705541

WASHER,0.53" ID x 1.06" OD x 0.14" Thk

1/2 HARDENED PLAIN WASHER

6шт.

4

700132410

BEARING ASSY,50.8 mm ID x 100 mm OD x 10, 7 mm

BEARING ASM (Includes item 5)

4шт.

5

712158

SPHERICAL BEARING,2" ID x 100 mm OD

BEARING - spherical

2шт.

6

700135457

ROLLER

ASSEMBLY

1шт.

7

7700156

CARRIAGE BOLT,Sq Nk, 1/2" - 13 x 1 1/2", Gr 5

1/2-13 X 1-1/2 RHSNB

12шт.

8

704742

ROD

1/2-13 HFTLN GR/G

12шт.

9

700135117

RING

- grass

2шт.

10

700717715

ROLLER

- rubber

1шт.

11

214817

SPACER

6шт.

12

700135945

PLATE

2шт.

13

7702160

BOLT,Hex 3/4" - 10 x 2", Gr 5

3/4-10 X 2 C

6шт.

14

705111

LOCK WASHER,3/4"

3/4"

6шт.

15

7883374

SCREW,Hex Washer, 3/8" - 16 x 3/4"

3/8-16 X 3/4 HWHMS

8шт.

16

704734

FLANGE NUT,Flg, 3/8"-16

3/8-16 HFTLN GR/G

9шт.

17

700135485

ROLLER

ASM (Includes items 19, 20 & 22)

1шт.

18

700124612

ROLLER

ASM (Includes item 25)

2шт.

19

700135489

SHAFT

1шт.

20

8050825

BEARING, ROLLER, CYL,38.1 mm ID x 80 mm OD x 30.163 mm

- cylindrical

3шт.

21

7883382

BOLT,Hex, 3/8" - 16 x 1", Gr 120M

3/8-16 X 1 HWHMS

1шт.

22

714147

BEARING,38.1 mm ID x 80 mm OD x 43.66 mm

- cylindrical

2шт.

23

700135439

SUPPORT

- roller

1шт.

24

700100927

HUB

2шт.

25

700135931

COVER

2шт.

Выбрано товаров: 25