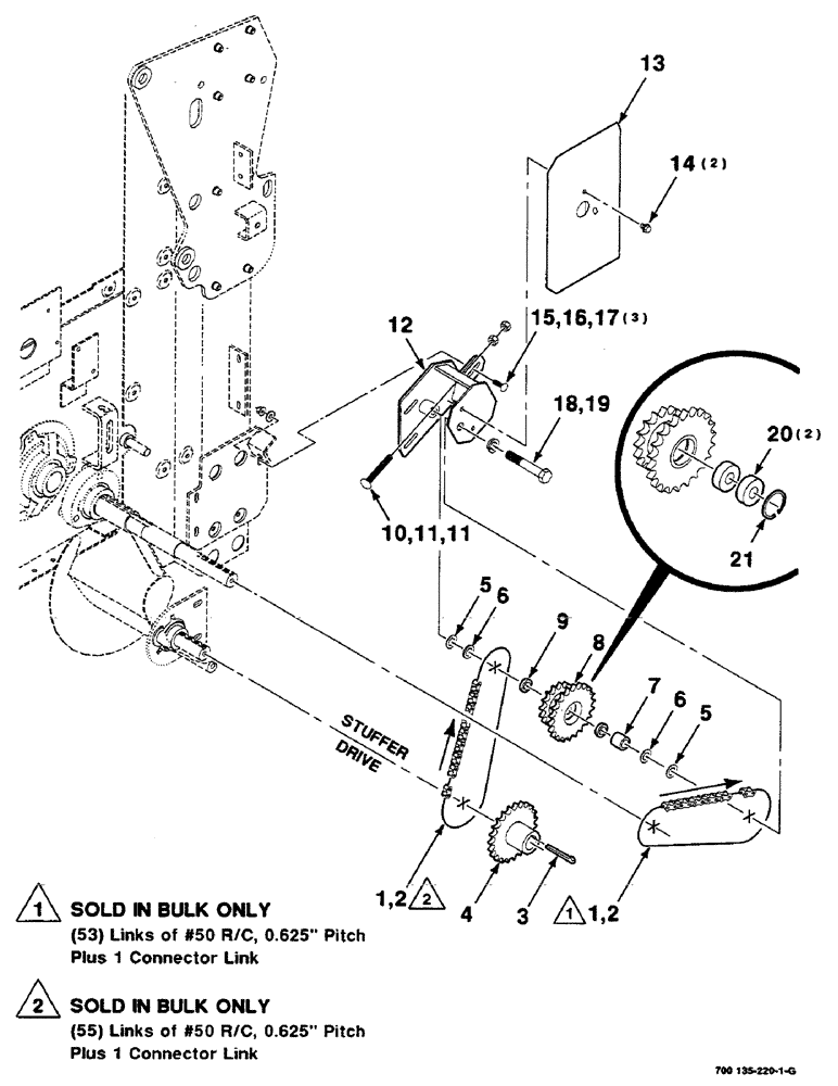
Запчасти Case IH RS551 (2-24) - STUFFER DRIVE ASSEMBLY Driveline

Схема запчастей Case IH RS551 - (2-24) - STUFFER DRIVE ASSEMBLY Driveline
3
5
11
21
2
5
18
14
7
17
16
13
8
4
6
1
6
10
12
9
1
11
15
2
20
19
FIT
1:1
100%

Артикул

Название

Примечание

Количество

1

7086002

CHAIN (AG)

CHAIN - roller, #60 (10 Foot Bulk)

2шт.

2

700710981

LINK

- connector, #60 R/C

2шт.

3

861468

KEY

5/16 X 2-3/4 GIB KEY

1шт.

4

700135575

SPROCKET ASSY.

SPROCKET WA - 23 tooth

1шт.

5

052761

3/4 X 14 GAUGE NRMB

2шт.

6

852087

BUSHING

3/4 X 10 GAUGE NRMB

2шт.

7

700105787

SPACER

1шт.

8

700135570

SPROCKET ASSY.

SPROCKET ASSEMBLY (Includes items 20 and 21)

1шт.

9

700135550

SPACER

1шт.

10

7770787

FITTING,Sq Nk, 1/2" - 13 x 4", Gr 5, Full Thd

1/2-13 X 4 FTRHSNB

1шт.

11

704031

NUT

1/2-13 H

2шт.

12

700135564

MOUNTING PARTS

MOUNTING WA

1шт.

13

700135944

SHIELD

1шт.

14

7883366

SCREW,Hex Washer, 3/8" - 16 x 1/2"

3/8-16 X 1/2 HWHMS

2шт.

15

700054

CARRIAGE BOLT,Sq Nk, 3/8" - 16 x 1 1/4", Gr 5

3/8-16 X 1-1/4 RHSNB

3шт.

16

705533

WASHER

3/8 HARDENED PLAIN WASHER

3шт.

17

704734

FLANGE NUT,Flg, 3/8"-16

3/8-16 HFTLN GR/G

3шт.

18

7701527

SCREW,Hex, 3/4" - 10 x 4 1/2", Gr 5

3/4-10 X 4-1/2 C

1шт.

19

705111

LOCK WASHER,3/4"

3/4"

1шт.

20

712604

BALL BEARING,0.7505" ID x 1.7805" OD x 0.61"

BEARING

2шт.

21

740712

OIL SEAL

RING - retaining

1шт.

Выбрано товаров: 0