Запчасти Case IH RS551 (2-34) - ROLLER DRIVE ASSEMBLY, UPPER Driveline

Схема запчастей Case IH RS551 - (2-34) - ROLLER DRIVE ASSEMBLY, UPPER Driveline
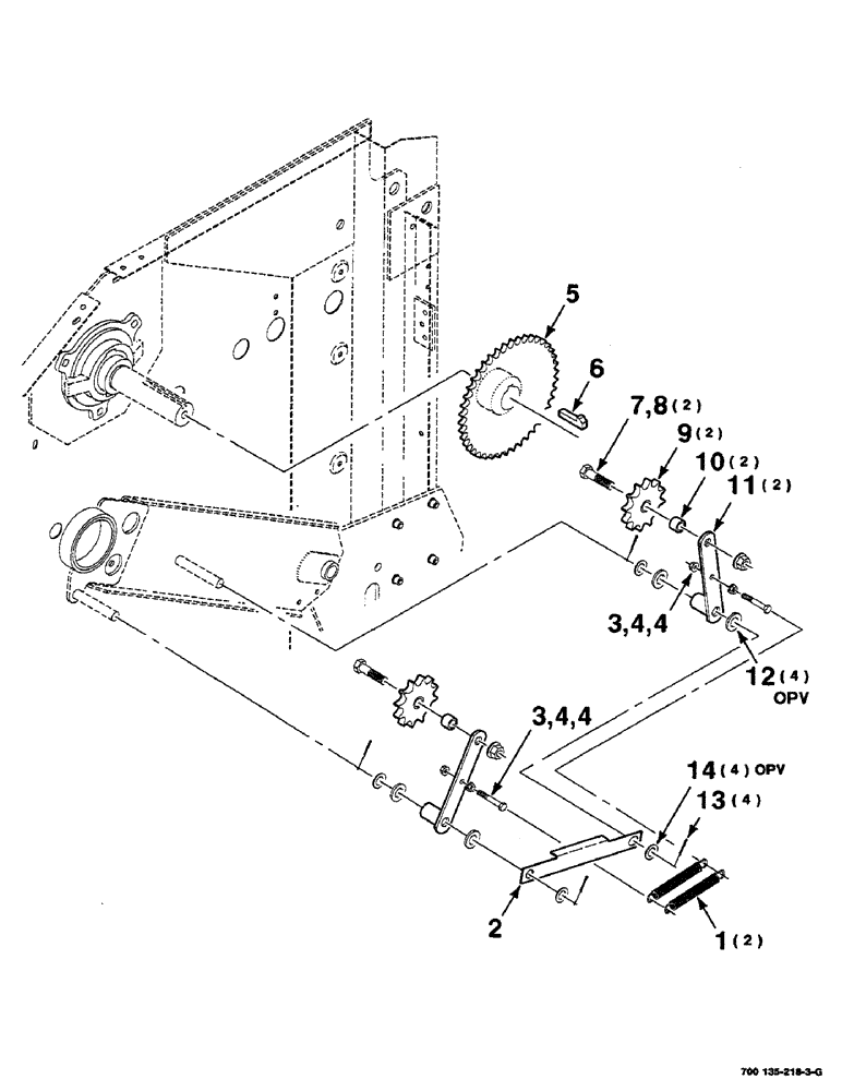
2
5
4
9
4
10
3
13
1
4
3
4
6
8
11
14
7
12
FIT
1:1
100%

Артикул

Название

Примечание

Количество

1

700717556

SPRING

- extension

2шт.

2

700151479

STOP

- idler

1шт.

3

413-640

BOLT,Hex, 3/8" - 16 x 2-1/2", Gr 5

2шт.

4

231-5146

FLANGE NUT,3/8"-16

4шт.

5

700135033

SPROCKET ASSY.

SPROCKET WA - 42 tooth

1шт.

6

861088

BUCKET TOOTH KEY

1/2 X 2 KEY - gib

1шт.

7

413-1040

BOLT,Hex, 5/8" - 11 x 2-1/2", Gr 5

2шт.

8

232-53110

FLANGE NUT,Flg, 5/8"-11

5/8-11 HFTLN GR/G

2шт.

9

541857R92

SPROCKET,15T

- idler, 15 tooth

2шт.

10

50061K

SPACER,1" Tube x 3/4"

2шт.

11

700150107

ARM

WA - idler

2шт.

12

705566

WASHER

3/4 HARDENED PLAIN WASHER

4шт.

13

432-1020

COTTER PIN,5/32" x 1 1/4"

PIN, SPLIT (COTTER), 5/32" x 1 1/4"

4шт.

14

95-81182

WASHER,0.81" ID x 1.25" OD x 0.07" Thk

3/4 X 14 GAUGE NRMB

4шт.

Выбрано товаров: 14