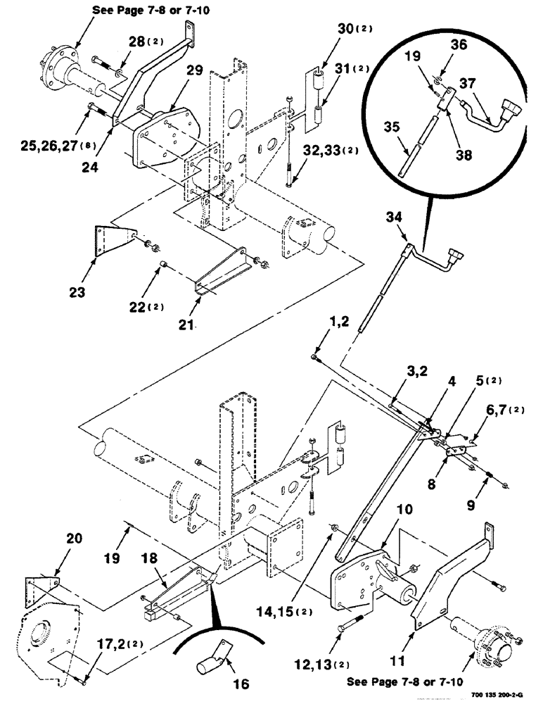
Запчасти Case IH RS551 (7-06) - MAINFRAME, AXLE AND PICKUP CRANK ASSEMBLIES (12) - MAIN FRAME

Схема запчастей Case IH RS551 - (7-06) - MAINFRAME, AXLE AND PICKUP CRANK ASSEMBLIES (12) - MAIN FRAME
1
7
32
21
5
27
35
31
24
14
8
11
19
22
6
30
25
3
38
17
10
36
2
23
29
4
26
16
28
13
18
12
37
9
34
15
2
33
19
20
2
FIT
1:1
100%

Артикул

Название

Примечание

Количество

1

700711084

BOLT

3/8-16 X 1-1/2 HFS GR8

1шт.

2

704734

FLANGE NUT,Flg, 3/8"-16

3/8-16 HFTLN GR/G

4шт.

3

701888

BOLT,Hex, 3/8" - 16 x 2 1/4", Gr 5

3/8-16 X 2-1/4 C

1шт.

4

700135372

SUPPORT

WA

1шт.

5

6553804

SPACER

2шт.

6

7770142

CARRIAGE BOLT,Sht Sq Nk, 1/4" - 20 x 1/2", Gr 5

1/4-20 X 1/2 RHSNB

2шт.

7

1703354

NUT

1/4-20 HFTLN GR/G

2шт.

8

700150891

PLATE

1шт.

9

CAS758342

SPRING

- compression

1шт.

10

700135359

PLATE

WA - left (16 Inch)

1шт.

700135840

PLATE

WA - left (15 Inch)

1шт.

11

700150892

SUPPORT

WA - left

1шт.

12

873745

BOLT,Hex, 5/8" - 11 x 4 1/2", Gr 5

5/8-11 X 4-1/2 C

2шт.

13

704924

NUT

5/8-11 HTLN GR/B

2шт.

14

703512

BOLT,Hex, 1/2" - 13 x 2 1/4", Gr 5

1/2-13 X 2-1/4 C

2шт.

15

231-5348

FLANGE NUT,Flg, 1/2"-13

1/2-13 HFTLN GR/G

2шт.

16

700715754

JOINT

UNIVERSAL JOINT

1шт.

17

7701634

BOLT,Hex, 3/8" - 16 x 2", Gr 5

3/8-16 X 2 C

2шт.

18

700716093

JACK

- assembly (Includes item 16)

1шт.

19

863761

PIN, GROOVED

3/16 X 7/8 GROOVE PIN

2шт.

20

700135377

SUPPORT

- left

1шт.

21

700135374

ANGLE

- right

1шт.

22

6869382

SPACER

2шт.

23

700135378

SUPPORT

- right

1шт.

24

700135868

SUPPORT

WA - right

1шт.

25

7701683

BOLT,Hex, 5/8" - 11 x 3", Gr 5

5/8-11 X 3 C

8шт.

26

705061

PLUG

5/8"

8шт.

27

704130

NUT,5/8"-11, G5

5/8-11 H

8шт.

28

705582

WASHER

5/8 HARDENED PLAIN WASHER

2шт.

29

700135360

PLATE

WA - right (16 Inch)

1шт.

700135841

PLATE

WA - right (15 Inch)

1шт.

30

700132293

TUBE,38.1 mm OD, 66 mm Length

- roller

2шт.

31

6250351

SPACER

2шт.

32

702217

SHIELD

1/2-13 X 4 C

2шт.

33

704858

LOCK NUT

1/2-13 HTLN GR/B

2шт.

34

700715760

CRANK

- assembly (Includes items 19, 37, 38, 39 and 40)

1шт.

35

700132317

CRANK

ROD - crank

1шт.

36

51200194

RETAINER

RING - retaining

1шт.

37

700715780

HANDLE

1шт.

38

700132516

TUBE

1шт.

Выбрано товаров: 40