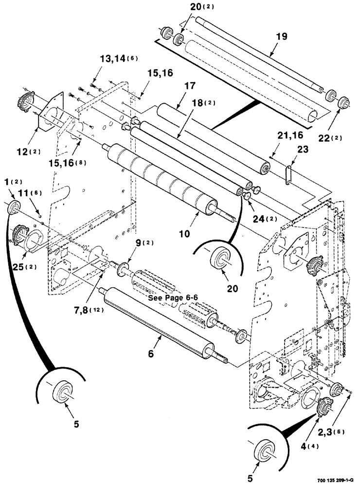
Запчасти Case IH RS561 (06-002) - ROLLER ASSEMBLIES (UPPER) (S.N. CFH0156001 THRU CFH0156339) (13) - FEEDER

Схема запчастей Case IH RS561 - (06-002) - ROLLER ASSEMBLIES (UPPER) (S.N. CFH0156001 THRU CFH0156339) (13) - FEEDER
22
7
11
20
25
2
5
19
10
21
4
16
8
15
18
14
16
24
17
3
5
9
15
16
12
23
20
1
13
6
FIT
1:1
100%

Артикул

Название

Примечание

Количество

1

700135023

HOUSING

ASM (Includes: Ref. 5)

2шт.

2

703736

BOLT,Hex, 1/2" - 13 x 2 3/4", Gr 5

SCREW hex cap, 1/2-13 x 2-3/4

6шт.

3

705541

WASHER,0.53" ID x 1.06" OD x 0.14" Thk

hardened plain, 1/2

6шт.

4

700132410

BEARING ASSY,50.8 mm ID x 100 mm OD x 10, 7 mm

ASM (Includes: Ref. 5)

4шт.

5

712158

SPHERICAL BEARING,2" ID x 100 mm OD

spherical

2шт.

Part of Ref. 1 & 4, part numbers 700135023, 700132410

1шт.

6

700150015

ROLLER

ASSEMBLY

1шт.

7

433-824

CARRIAGE BOLT,Sq Nk, 1/2" - 13 x 1 1/2", Gr 5

12шт.

8

231-5348

FLANGE NUT,Flg, 1/2"-13

hex flange top lock, 1/2-13 GR/G

12шт.

9

700135117

RING

grass

2шт.

10

700717715

ROLLER

rubber

1шт.

11

214817

SPACER

6шт.

12

700150021

PLATE

2шт.

13

413-1232

BOLT,Hex, 3/4" - 10 x 2", Gr 5

6шт.

14

492-11075

LOCK WASHER,3/4"

3/4"

6шт.

15

409-7612

BOLT,3/8"-16 x 1.09" OAL

9шт.

16

232-5316

FLANGE NUT,Flg, 3/8"-16

hex flange top lock, 3/8-16 GR/G

10шт.

17

700135485

ROLLER

ASM (Includes: Ref. 19, 20 & 22)

1шт.

18

700124612

ROLLER

ASM (Includes: Ref. 20)

2шт.

19

700135489

SHAFT

1шт.

Part of Ref. 17, part number 700135485

1шт.

20

8050825

BEARING, ROLLER, CYL,38.1 mm ID x 80 mm OD x 30.163 mm

cylindrical

3шт.

Part of Ref. 17 & 18, part numbers 700135485, 700124612

1шт.

21

121-237

SERRATED BOLT,Hex, 3/8" - 16 x 1 1/4, Spcl

hex flange, 3/8-16 x 1-1/4 GR. 8

1шт.

22

F82059

BEARING ASSY,38.1mm ID x 80mm OD x 22mm W

cylindrical

2шт.

Part of Ref. 17, part number 700135485

1шт.

23

700135492

SUPPORT

roller

1шт.

24

700100927

HUB

2шт.

25

700135931

COVER

2шт.

Выбрано товаров: 29