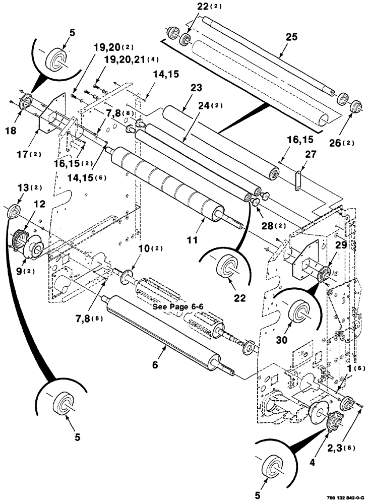
Запчасти Case IH RS561 (06-004) - ROLLER ASSEMBLIES (UPPER) (S.N. CFH0156400 AND LATER) (13) - FEEDER

Схема запчастей Case IH RS561 - (06-004) - ROLLER ASSEMBLIES (UPPER) (S.N. CFH0156400 AND LATER) (13) - FEEDER
14
7
29
27
20
19
18
24
11
25
1
20
8
9
4
23
5
19
28
14
2
15
15
15
30
5
17
21
10
7
15
8
26
16
16
13
5
22
6
12
22
3
FIT
1:1
100%

Артикул

Название

Примечание

Количество

1

214817

SPACER

6шт.

2

703736

BOLT,Hex, 1/2" - 13 x 2 3/4", Gr 5

SCREW hex cap, 1/2-13 x 2-3/4

6шт.

3

705541

WASHER,0.53" ID x 1.06" OD x 0.14" Thk

hardened plain, 1/2

6шт.

4

700150032

BEARING ASSY,50.8 mm ID x 100 mm OD x 7 mm

ASM (Includes: Ref. 5)

1шт.

5

712158

SPHERICAL BEARING,2" ID x 100 mm OD

spherical

3шт.

Part of Ref. 4, 13, & 18, part numbers 700150032, 700135023, 700109753

1шт.

6

700150015

ROLLER

ASSEMBLY

1шт.

7

433-824

CARRIAGE BOLT,Sq Nk, 1/2" - 13 x 1 1/2", Gr 5

14шт.

8

231-5348

FLANGE NUT,Flg, 1/2"-13

hex flange top lock, 1/2-13 GR/G

14шт.

9

700150018

RING

WA-grass, lower

2шт.

10

700135117

RING

grass

2шт.

11

700719705

ROLLER

rubber

1шт.

12

700132763

BEARING ASSY

ASM

1шт.

13

700135023

HOUSING

ASM (Includes: Ref. 5)

2шт.

14

409-7612

BOLT,3/8"-16 x 1.09" OAL

7шт.

15

232-5316

FLANGE NUT,Flg, 3/8"-16

hex flange top lock, 3/8-16 GR/G

10шт.

16

121-237

SERRATED BOLT,Hex, 3/8" - 16 x 1 1/4, Spcl

hex flange, 3/8-16 x 1-1/4 GR. 8

3шт.

17

700132957

PLATE

2шт.

18

700109753

BEARING ASSY,97 mm ID x 108 mm OD x 33 mm

ASM (Includes: Ref. 5)

1шт.

19

413-1232

BOLT,Hex, 3/4" - 10 x 2", Gr 5

6шт.

20

492-11075

LOCK WASHER,3/4"

3/4"

6шт.

21

705566

WASHER

hardened plain, 3/4

4шт.

22

8050825

BEARING, ROLLER, CYL,38.1 mm ID x 80 mm OD x 30.163 mm

cylindrical

3шт.

Part of Ref. 23 & 24, part numbers 700132835, 700124612

1шт.

23

700132835

ROLLER

ASM (Includes: Ref. 22, 25 & 26)

1шт.

24

700124612

ROLLER

ASM (Includes: Ref. 22)

2шт.

25

700132833

SHAFT

1шт.

Part of Ref. 23, part number 700132835

1шт.

26

F82059

BEARING ASSY,38.1mm ID x 80mm OD x 22mm W

cylindrical

2шт.

Part of Ref. 23, part number 700132835

1шт.

27

700132834

SUPPORT

roller

1шт.

28

700100927

HUB

2шт.

29

700132962

BEARING ASSY,55.56 mm ID x 100 mm OD x 33 mm

ASM (Includes: Ref. 30)

1шт.

30

700704263

SPHERICAL BEARING,55.562 mm ID x 100 mm OD x 48.4 mm

spherical

1шт.

Part of Ref. 29, part number 700132962

1шт.

Выбрано товаров: 35