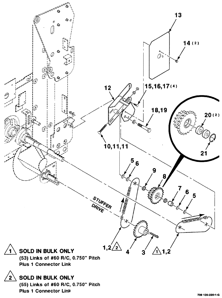
Запчасти Case IH RS561 (02-024) - STUFFER DRIVE ASSEMBLY Driveline

Схема запчастей Case IH RS561 - (02-024) - STUFFER DRIVE ASSEMBLY Driveline
5
19
17
21
15
18
8
11
5
6
14
2
3
1
2
6
12
10
4
7
16
1
20
11
9
13
FIT
1:1
100%

Артикул

Название

Примечание

Количество

1

611362R91

CHAIN (AG)

roller, #60 (10 foot bulk)

2шт.

2

241-1316

LINK,19.05mm Pitch

connector, #60 R/C

2шт.

3

861468

KEY

gib, 5/16 x 2-3/4

1шт.

4

700135575

SPROCKET ASSY.

WA 23 tooth

1шт.

5

95-81182

WASHER,0.81" ID x 1.25" OD x 0.07" Thk

BUSHING narrow rim machinery, 3/4 x 14 gauge

2шт.

6

95-81051

WASHER,19.84mm ID x 31.75mm OD x 3.81mm Thk

BUSHING narrow rim machinery, 3/4 x 10 gauge

2шт.

7

700105787

SPACER

1шт.

8

700135570

SPROCKET ASSY.

(Includes Ref. 20 and 21)

1шт.

9

700135550

SPACER

1шт.

10

7770787

FITTING,Sq Nk, 1/2" - 13 x 4", Gr 5, Full Thd

BOLT full thread round head square neck, 1/2-13 x 4

1шт.

11

425-108

NUT,1/2" - 13, Gr 5

2шт.

12

700135564

MOUNTING PARTS

WA

1шт.

13

700135944

SHIELD

1шт.

14

7883366

SCREW,Hex Washer, 3/8" - 16 x 1/2"

hex washer head machine, 3/8-16 x 1/2

2шт.

15

433-620

CARRIAGE BOLT,Sq Nk, 3/8" - 16 x 1 1/4", Gr 5

4шт.

16

496-11041

WASHER,13/32" x 13/16" x .065", HDN

hardened plain, 3/8

4шт.

17

232-5316

FLANGE NUT,Flg, 3/8"-16

hex flange top lock, 3/8-16 GR/G

4шт.

18

413-1272

BOLT,Hex, 3/4" - 10 x 4-1/2", Gr 5

SCREW hex cap, 3/4-10 x 4-1/2

1шт.

19

492-11075

LOCK WASHER,3/4"

3/4"

1шт.

20

100-21175

SNAP RING,1.75", Int, #175

2шт.

Part of Ref. 8, part number 700135570

1шт.

21

T39594

BALL BEARING,0.7505" ID x 1.7805" OD x 0.61"

1шт.

Part of Ref. 8, part number 700135570

1шт.

Выбрано товаров: 23