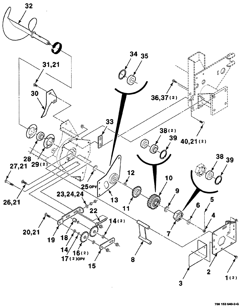
Запчасти Case IH RS561 (02-030) - STUFFER, AUGER AND DRIVE ASSEMBLIES (LEFT) Driveline

Схема запчастей Case IH RS561 - (02-030) - STUFFER, AUGER AND DRIVE ASSEMBLIES (LEFT) Driveline
32
31
33
9
19
40
15
27
24
21
12
24
6
18
16
20
26
8
30
21
38
36
37
29
5
14
1
14
38
2
39
34
23
25
4
21
17
7
10
21
13
35
22
39
11
21
3
28
FIT
1:1
100%

Артикул

Название

Примечание

Количество

1

409-7612

BOLT,3/8"-16 x 1.09" OAL

2шт.

2

700150070

SUPPORT

WA left

1шт.

3

700135740

SHIELD

WA left

1шт.

4

425-138

SLOTTED NUT,1/2"-20, G8

1шт.

5

432-816

COTTER PIN,1/8" x 1"

1шт.

6

6181994

WASHER

special

1шт.

7

700150087

HUB

ASSEMBLY

1шт.

8

700150079

SUPPORT

WA left

1шт.

9

52324

BUSHING

narrow rim machinery, 1-1/4 x 10 gauge

1шт.

10

700150083

SPROCKET ASSY.

22-22 tooth

1шт.

11

700150100

SPROCKET ASSY.

WA 18 tooth

1шт.

12

126-124

WOODRUFF KEY,#15, 1/4" x 1", HT

1шт.

13

700150092

SUPPORT

ASSEMBLY, left (Includes: Ref. 34 & 35)

1шт.

14

6582696

SPACER

3шт.

15

700132765

STRAP

1шт.

16

700716888

SPROCKET ASSY.

idler

2шт.

17

95-81100

WASHER,33/64" x 7/8" x .049"

BUSHING narrow rim machinery, 1/2 x 18 gauge

2шт.

18

700150104

SPACER

1шт.

19

700153669

SUPPORT

1шт.

20

433-840

CARRIAGE BOLT,Sq Nk, 1/2" - 13 x 2 1/2", Gr 5

BOLT round head square neck, 1/2-13 x 2-1/2

1шт.

21

231-5348

FLANGE NUT,Flg, 1/2"-13

hex flange top lock, 1/2-13 GR/G

6шт.

22

241018

BOLT

EYE

1шт.

23

705541

WASHER,0.53" ID x 1.06" OD x 0.14" Thk

hardened plain, 1/2

1шт.

24

425-108

NUT,1/2" - 13, Gr 5

2шт.

25

495-81205

WASHER,32.54mm ID x 50.8mm OD x 1.7mm Thk

BUSHING narrow rim machinery, 1-1/4 x 18 gauge

1шт.

26

433-828

CARRIAGE BOLT,Sq Nk, 1/2" - 13 x 1 3/4", Gr 5

round head square neck, 1/2-13 x 1-3/4

1шт.

27

111-505

CARRIAGE BOLT,Short NK, 1/2"-13 x 3 1/2", G5

1шт.

28

565672R92

SPHERICAL BEARING,1.2505" ID x 72 mm OD x 1"

COLLAR less

1шт.

29

617863R1

FLANGED BEARING

2шт.

30

700135748

PLATE

1шт.

31

433-820

CARRIAGE BOLT,Sq Nk, 1/2" - 13 x 1 1/4", Gr 5

1шт.

32

700150089

AUGER

WA- left

1шт.

33

700135747

PLATE

1шт.

34

740415

RING, SNAP

RING SNAP retaining

1шт.

Part of Ref. 13, part number 700150092

1шт.

35

587015R92

BEARING, ROLLER, CYL,31.75mm ID x 72mm OD x 19mm W

cylindrical

1шт.

Part of Ref. 13, part number 700150092

1шт.

36

121-237

SERRATED BOLT,Hex, 3/8" - 16 x 1 1/4, Spcl

hex flange, 3/8-16 x 1-1/4 GR. 8

2шт.

37

232-5316

FLANGE NUT,Flg, 3/8"-16

hex flange top lock, 3/8-16 GR/G

2шт.

38

586649R92

BEARING, ROLLER, CYL,31.75mm ID x 62mm OD x 18mm W

cylindrical

3шт.

39

100-21244

SNAP RING,2.44", Int, #244

2шт.

40

433-824

CARRIAGE BOLT,Sq Nk, 1/2" - 13 x 1 1/2", Gr 5

2шт.

Выбрано товаров: 42