Запчасти Case IH RS561 (08-052) - KICKER HYDRAULIC ASSEMBLY (07) - HYDRAULICS

Схема запчастей Case IH RS561 - (08-052) - KICKER HYDRAULIC ASSEMBLY (07) - HYDRAULICS
10
12
8
13
14
9
11
5
15
6
2
7
3
12
9
4
1
FIT
1:1
100%

Артикул

Название

Примечание

Количество

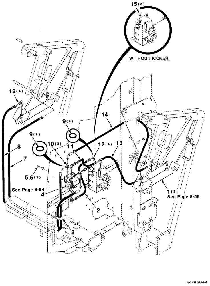
1

700714707

CYLINDER

ASSEMBLY hydraulic

2шт.

2

700718466

HYDRAULIC HOSE,0.38" ID x 11.81", SAE J516, SAE J343

hydraulic

1шт.

3

515-23444

CLAMP,1 3/4", Insul, 3/8" Bolt

line

1шт.

4

700714785

MANIFOLD

VALVE

1шт.

5

256873

BOLT,Hex Serr, 5/16" - 18 x 1/2", 5SPL, Full Thd

2шт.

6

495-61034

WASHER,0.34" ID x 0.88" OD x 0.06" Thk

wide plain, 5/16

2шт.

7

700718470

HOSE

hydraulic

1шт.

8

700718069

HOSE

hydraulic

1шт.

9

738468

O-RING

10шт.

Part of Ref. 10, and 12, part numbers 218-5243, and 218-5105

1шт.

10

218-5243

TEE,9/16" - 18 Male JIC x 9/16" - 18 Male JIC x 9/16" - 18 Male ORB

Straight run (Includes: Ref. 9)

2шт.

11

700718467

HYDRAULIC HOSE,0.38" ID x 14.96", SAE J516, SAE J343

hydraulic

1шт.

12

218-5105

ELBOW,90 Degree Elbow, 9/16" - 18 Male JIC x 9/16" - 18 Male ORB

(Includes Ref. 9)

8шт.

13

700718059

HYDRAULIC HOSE,0.25" ID x 45.28", SAE100R17, SAE J517, SAE J516, SAE J343

hydraulic

1шт.

14

700718468

HOSE

hydraulic

1шт.

15

7746456

PLUG

O-RING boss

2шт.

Выбрано товаров: 16