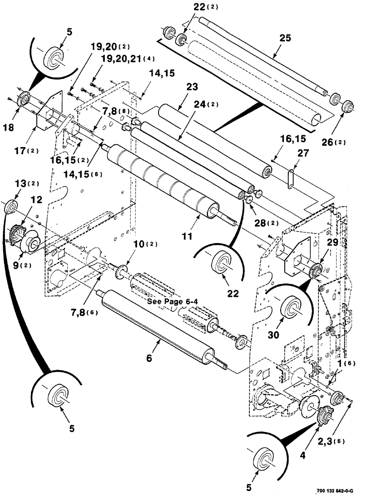
Запчасти Case IH RS561A (6-002) - ROLLER ASSEMBLIES,UPPER (14) - BALE CHAMBER

Схема запчастей Case IH RS561A - (6-002) - ROLLER ASSEMBLIES,  UPPER (14) - BALE CHAMBER
18
19
15
15
22
2
3
16
23
4
20
30
15
1
20
7
14
6
8
28
24
5
25
7
5
8
11
5
16
29
21
15
14
9
19
17
10
22
26
13
27
12
FIT
1:1
100%

Артикул

Название

Примечание

Количество

1

214817

SPACER

6шт.

2

703736

BOLT,Hex, 1/2" - 13 x 2 3/4", Gr 5

1/2"-13 x 2-3/4", hex. cap screw

6шт.

3

705541

WASHER,0.53" ID x 1.06" OD x 0.14" Thk

1/2", hardened, plain

6шт.

4

700150032

BEARING ASSY,50.8 mm ID x 100 mm OD x 7 mm

ASSY. includes: REF. 5

1шт.

5

712158

SPHERICAL BEARING,2" ID x 100 mm OD

spherical

3шт.

6

700150015

ROLLER

ASSY.

1шт.

7

433-824

CARRIAGE BOLT,Sq Nk, 1/2" - 13 x 1 1/2", Gr 5

14шт.

8

231-5348

FLANGE NUT,Flg, 1/2"-13

1/2"-13, hex. flange top lock, GR/G

14шт.

9

700150018

RING

WA, grass, lower

2шт.

10

700135117

RING

grass

2шт.

11

700719705

ROLLER

rubber

1шт.

12

700132763

BEARING ASSY

ASSY.

1шт.

13

700135023

HOUSING

ASSY. includes: REF. 5

2шт.

14

409-7612

BOLT,3/8"-16 x 1.09" OAL

7шт.

15

232-5316

FLANGE NUT,Flg, 3/8"-16

3/8"-16, hex. flange top lock, GR/G

10шт.

16

121-237

SERRATED BOLT,Hex, 3/8" - 16 x 1 1/4, Spcl

3/8"-16 x 1-1/4", hex. flange, GR8

3шт.

17

700132957

PLATE

2шт.

18

700109753

BEARING ASSY,97 mm ID x 108 mm OD x 33 mm

ASSY. includes: REF. 5

1шт.

19

413-1232

BOLT,Hex, 3/4" - 10 x 2", Gr 5

6шт.

20

492-11075

LOCK WASHER,3/4"

3/4"

6шт.

21

705566

WASHER

3/4", hardened, plain

4шт.

22

8050825

BEARING, ROLLER, CYL,38.1 mm ID x 80 mm OD x 30.163 mm

cylindrical

3шт.

23

700132835

ROLLER

ASSY. includes: REF. 22, 25 & 26

1шт.

24

700124612

ROLLER

ASSY. includes: REF. 22

2шт.

25

700132833

SHAFT

1шт.

26

F82059

BEARING ASSY,38.1mm ID x 80mm OD x 22mm W

cylindrical

2шт.

27

700132834

SUPPORT

roller

1шт.

28

700100927

HUB

2шт.

29

700132962

BEARING ASSY,55.56 mm ID x 100 mm OD x 33 mm

ASSY. includes: REF. 30

1шт.

30

700704263

SPHERICAL BEARING,55.562 mm ID x 100 mm OD x 48.4 mm

spherical

1шт.

Выбрано товаров: 30