Запчасти Case IH RS561A (6-024) - TWINE THREADER SUPPORT ASSEMBLIES (14) - BALE CHAMBER

Схема запчастей Case IH RS561A - (6-024) - TWINE THREADER SUPPORT ASSEMBLIES (14) - BALE CHAMBER
15
9
25
2
4
8
20
17
13
14
2
8
7
12
6
16
16
5
21
11
23
10
19
24
1
22
26
7
3
18
14
FIT
1:1
100%

Артикул

Название

Примечание

Количество

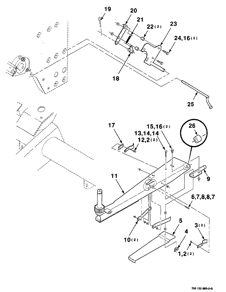
1

413-48

BOLT,Hex, 1/4" - 20 x 1/2", Gr 5

2шт.

2

232-4114

LOCK NUT,1/4"-20, GC

1/4"-20, hex. top, GR/B

4шт.

3

700122987

GUIDE

twine

2шт.

4

129-410

WING NUT,3/8"-16

1шт.

5

700132997

SHIELD

twine arm

1шт.

6

700135164

ROD

threaded, 1/4"-20

1шт.

7

425-104

NUT,1/4"-20, Cl 5

2шт.

8

425-144

JAM NUT,Jam, 1/4"-20, G5

2шт.

9

700132413

ARM

WA, twine

1шт.

10

700707665

LARGE PLATE

PLATE, LARGE SPRING leaf

2шт.

11

700132684

ARM

WA, twine, includes: REF. 26

1шт.

12

413-412

BOLT,Hex, 1/4" - 20 x 3/4", Gr 5

2шт.

13

873083

SCREW

3/8"-16 x 1-1/2", full thread hex. cap screw

1шт.

14

425-106

NUT,3/8"-16, Cl 5

2шт.

15

409-7612

BOLT,3/8"-16 x 1.09" OAL

2шт.

16

232-5316

FLANGE NUT,Flg, 3/8"-16

3/8"-16, hex. flange top lock, GR/G

4шт.

17

700132412

PLATE

1шт.

18

700135090

LEVER

WA

1шт.

19

S120261

PIN

.148 wire hair, cotter

1шт.

20

700135093

PLATE

1шт.

21

700707432

SPRING

extension

1шт.

22

6869382

SPACER

2шт.

23

700150125

SUPPORT

WA

1шт.

24

700711084

BOLT

3/8"-16 x 1-1/2", hex. flange screw, GR8

2шт.

25

700150123

GUIDE

WA, right, plated

1шт.

26

700107983

GUIDE

1шт.

Выбрано товаров: 26