Запчасти Case IH RS561A (2-006) - MAIN DRIVE ASSEMBLY Driveline

Схема запчастей Case IH RS561A - (2-006) - MAIN DRIVE ASSEMBLY Driveline
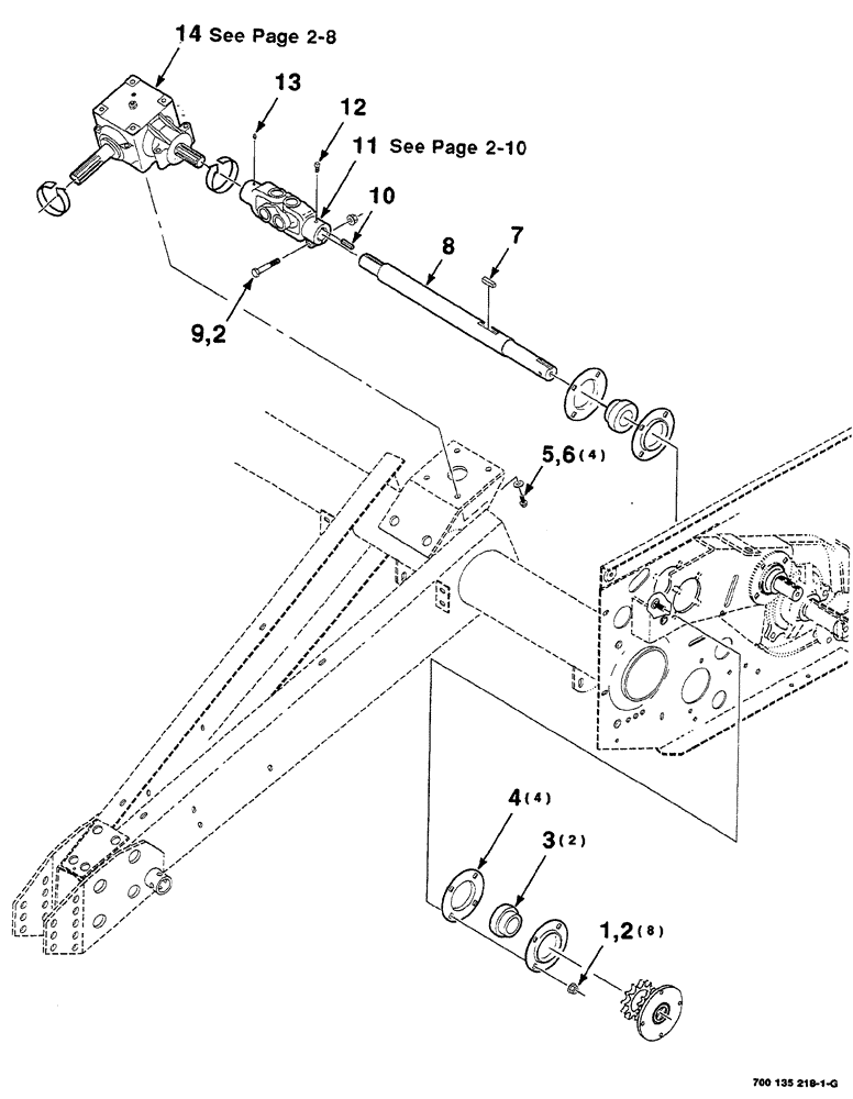
1
5
9
3
6
7
11
4
12
13
10
14
8
2
2
FIT
1:1
100%

Артикул

Название

Примечание

Количество

1

433-820

CARRIAGE BOLT,Sq Nk, 1/2" - 13 x 1 1/4", Gr 5

8шт.

2

231-5348

FLANGE NUT,Flg, 1/2"-13

1/2"-13, hex. flange top lock, GR/G

9шт.

3

51318

BEARING

spherical, 85 mm

2шт.

4

50583

FLANGED BEARING

bearing

4шт.

5

700710984

SCREW,Hex Flg, 1/2" x 1 1/4", G8 NC

4шт.

6

700711557

WASHER

1/2", hardened wide plain

4шт.

7

761502

BUCKET TOOTH KEY

3/8" x 1-7/16"

1шт.

8

700132714

SHAFT

drive

1шт.

9

413-848

BOLT,Hex, 1/2" - 13 x 3", Gr 5

1шт.

10

Q1443

KEY,5/16" Sq x 1 1/2", Par

1шт.

11

700718371

YOKE

UNIVERSAL JOINT YOKE ASSY. double

1шт.

12

485-13812

SET SCREW,Sq Hd, 3/8"-16 x 3/4"

Cup Pt

1шт.

13

219-8

LUBE NIPPLE,1/4" - 28 NPTF

1шт.

14

700717910

GEARBOX ASSY

1шт.

Выбрано товаров: 14