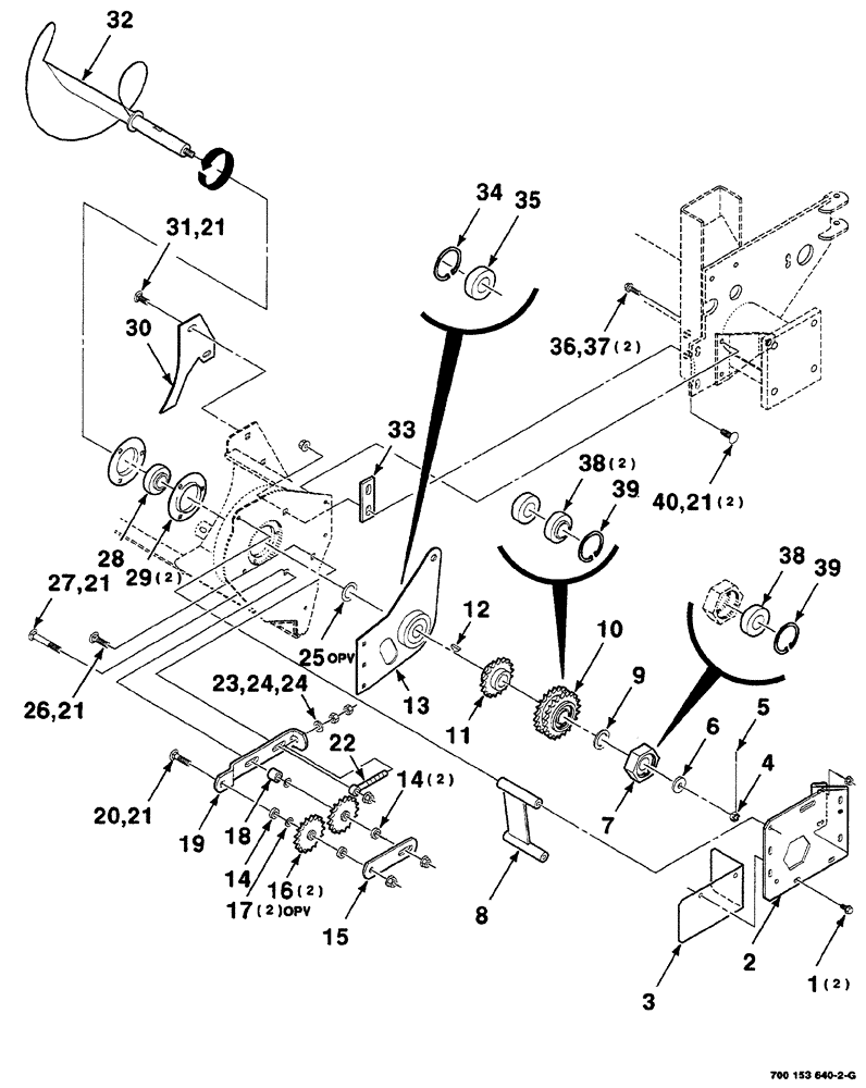
Запчасти Case IH RS561A (2-022) - STUFFER, AUGER AND DRIVE ASSEMBLIES,LEFT Driveline

Схема запчастей Case IH RS561A - (2-022) - STUFFER, AUGER AND DRIVE ASSEMBLIES,  LEFT Driveline
7
15
39
30
5
31
25
38
17
32
10
33
26
13
18
14
40
27
29
23
21
21
20
35
24
1
21
24
22
2
38
19
4
9
6
11
36
39
37
8
12
34
21
16
3
28
14
21
FIT
1:1
100%

Артикул

Название

Примечание

Количество

1

409-7612

BOLT,3/8"-16 x 1.09" OAL

2шт.

2

700150070

SUPPORT

WA, left

1шт.

3

700135740

SHIELD

WA, left

1шт.

4

425-138

SLOTTED NUT,1/2"-20, G8

1шт.

5

432-816

COTTER PIN,1/8" x 1"

1шт.

6

6181994

WASHER

special

1шт.

7

700150087

HUB

ASSY.

1шт.

8

700150079

SUPPORT

WA, left

1шт.

9

52324

BUSHING

GAUGE 1-1/4" x 10, narrow rim machinery

1шт.

10

700150083

SPROCKET ASSY.

22-22 tooth

1шт.

11

700150100

SPROCKET ASSY.

WA-18 tooth

1шт.

12

126-124

WOODRUFF KEY,#15, 1/4" x 1", HT

1шт.

13

700150092

SUPPORT

ASSY. left, includes: REF. 34 & 35

1шт.

14

6582696

SPACER

3шт.

15

700132765

STRAP

1шт.

16

700716888

SPROCKET ASSY.

idler

2шт.

17

95-81100

WASHER,33/64" x 7/8" x .049"

GAUGE 1/2" x 18, narrow rim machinery bushing

2шт.

18

700150104

SPACER

1шт.

19

700153669

SUPPORT

1шт.

20

433-840

CARRIAGE BOLT,Sq Nk, 1/2" - 13 x 2 1/2", Gr 5

1/2"-13 x 2-1/2", round head square neck bolt

1шт.

21

231-5348

FLANGE NUT,Flg, 1/2"-13

1/2"-13, hex. flange top lock, GR/G

6шт.

22

241018

BOLT

eye

1шт.

23

705541

WASHER,0.53" ID x 1.06" OD x 0.14" Thk

1/2" hardened, plain

1шт.

24

425-108

NUT,1/2" - 13, Gr 5

2шт.

25

495-81205

WASHER,32.54mm ID x 50.8mm OD x 1.7mm Thk

GAUGE 1-1/4" x 18, narrow rim machinery bushing

1шт.

26

433-828

CARRIAGE BOLT,Sq Nk, 1/2" - 13 x 1 3/4", Gr 5

1/2"-13 x 1-3/4", round head square neck

1шт.

27

111-505

CARRIAGE BOLT,Short NK, 1/2"-13 x 3 1/2", G5

1шт.

28

565672R92

SPHERICAL BEARING,1.2505" ID x 72 mm OD x 1"

collar, less

1шт.

29

617863R1

FLANGED BEARING

2шт.

30

700135748

PLATE

1шт.

31

433-820

CARRIAGE BOLT,Sq Nk, 1/2" - 13 x 1 1/4", Gr 5

1шт.

32

700150089

AUGER

WA, left

1шт.

33

700135747

PLATE

1шт.

34

740415

RING, SNAP

RING SNAP retaining

1шт.

35

587015R92

BEARING, ROLLER, CYL,31.75mm ID x 72mm OD x 19mm W

cylindrical

1шт.

36

121-237

SERRATED BOLT,Hex, 3/8" - 16 x 1 1/4, Spcl

3/8"-16 x 1-1/4", hex. flange, GR8

2шт.

37

232-5316

FLANGE NUT,Flg, 3/8"-16

3/8"-16, hex. flange top lock, GR/G

2шт.

38

586649R92

BEARING, ROLLER, CYL,31.75mm ID x 62mm OD x 18mm W

cylindrical

3шт.

39

100-21244

SNAP RING,2.44", Int, #244

2шт.

40

433-824

CARRIAGE BOLT,Sq Nk, 1/2" - 13 x 1 1/2", Gr 5

2шт.

Выбрано товаров: 40