Запчасти Case IH RS561A (4-026) - ELECTRICAL HARNESS SERVICE PARTS,CONTINUED (06) - ELECTRICAL

Схема запчастей Case IH RS561A - (4-026) - ELECTRICAL HARNESS SERVICE PARTS,  CONTINUED (06) - ELECTRICAL
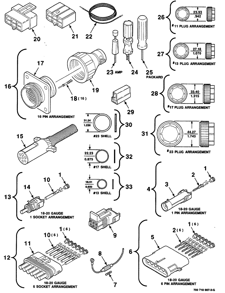
20
28
27
6
23
13
16
12
1
10
4
1
22
2
8
2
1
17
33
25
26
32
5
30
15
11
31
3
21
1
9
10
7
29
19
18
24
14
FIT
1:1
100%

Артикул

Название

Примечание

Количество

1

700706400

PLUG

18-20 gauge

1шт.

2

700706401

TERMINAL

PIN male, 18-20 gauge

1шт.

3

245481C1

CONNECTION,ELECTRIC

1 pin, male

1шт.

4

700718621

KIT

harness repair, 1 pin, male, includes: REF. 1, 2 & 3

1шт.

5

700718638

CONNECTOR, ELEC

CONNECTOR 6 pin, male

1шт.

6

700718613

KIT

harness repair, 6 pin, male, includes: REF. 1, 2 & 5

1шт.

7

700718053

FUSE

20 AMP, slow blow

1шт.

8

700718054

HOLDER

fuse, ASM

1шт.

9

256348A1

ELEC CONNECTOR,Female, 6 Pin

female, 6 socket, sealed

1шт.

10

700708760

ELEC. TERMINAL PIN,18 - 20 SAE

SOCKET female, 18-20 gauge

1шт.

11

700718581

CABLE

CONNECTOR 6 socket, female

1шт.

12

700718614

KIT

harness repair, 6 socket, female, includes: REF. 1, 10 & 11

1шт.

13

700718617

KIT

harness repair, 1 socket, female, includes: REF. 1,10 & 14

1шт.

14

L124720

CONNECTION,ELECTRIC

1 socket, female

1шт.

15

700715341

PLUG

7 pin, domestic

1шт.

16

700718790

KIT

harness repair, male, 16 pin, includes: REF. 17, 18 & 19

1шт.

17

700712676

CONNECTION,ELECTRIC

RECEPTACLE square flange, male, 16 pin arrangement, with seal

1шт.

18

700708757

ELEC. TERMINAL PIN,18 - 16 SAE

type 3, male, 16-18 gauge

1шт.

19

225153C1

CONTACT HOUSING

CLAMP cable, shell size 17

1шт.

20

700718639

CONNECTOR, ELEC

CONNECTOR 6 way, male

1шт.

21

892136C1

ELEC CONNECTOR,Female

6 way, Female

1шт.

22

700708333

WIRE

test

1шт.

23

CAS1631

TOOL KIT

connector repair, AMP

1шт.

24

700707014

TERMINAL CONNECTOR

tool, repair

1шт.

25

700707012

TERMINAL CONNECTOR

tool, repair, Packard

1шт.

26

60-6126T2

CONNECTION

RING coupling

1шт.

27

60-6127T2

CONNECTION

RING coupling

1шт.

28

1301191C1

CONNECTION

RING coupling

1шт.

29

877291R1

ELEC CONNECTOR,Female

two contact, 56 series

1шт.

30

700711660

SEAL

1шт.

31

60-6129T2

CONNECTION

RING coupling

1шт.

32

700711829

SEAL

1шт.

33

700712896

SEAL

peripheral

1шт.

Выбрано товаров: 0