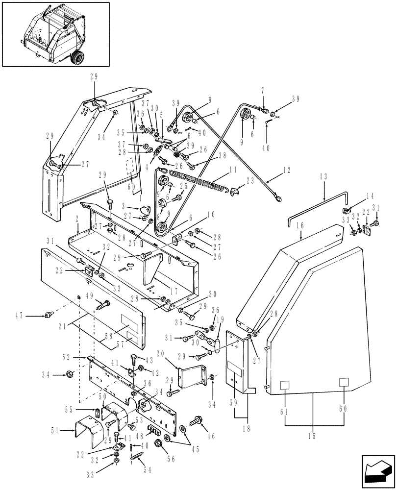
Запчасти Case IH RB444 (08.01) - SHIELDS, BALE SIZE & TAILGATE LATCH INDICATOR (08) - SHEET METAL/DECALS

Схема запчастей Case IH RB444 - (08.01) - SHIELDS, BALE SIZE & TAILGATE LATCH INDICATOR (08) - SHEET METAL/DECALS
37
27
27
46
10
33
13
26
29
4
52
29
27
60
32
36
15
36
34
45
14
9
39
29
39
29
21
37
28
28
41
48
7
31
58
26
18
57
11
59
6
47
17
32
41
42
5
34
39
28
61
50
29
3
38
30
40
28
33
22
27
6
34
19
35
2
31
9
29
9
16
30
22
1
40
30
36
55
27
29
9
51
33
26
29
28
54
22
6
6
53
25
12
6
35
43
20
56
23
60
8
31
32
49
34
40
27
FIT
1:1
100%

Артикул

Название

Примечание

Количество

1

87030662

SHIELD

RH

1шт.

2

86639401

BOXED PANEL

Twine

1шт.

3

9612212

INDICATOR

1шт.

4

86509849

SPRING

1шт.

5

86628104

PLATE

Indicator

1шт.

6

696365

SPACER

6шт.

7

9612213

CABLE

1шт.

8

9619090

CAP COVER

1шт.

9

510932

PULLEY,50.01mm OD

4шт.

10

689986

ANGLE

8шт.

11

86509848

SPRING

1шт.

12

9603744

ROPE

Wire

1шт.

13

9600279

ROD

1шт.

14

782687

NUT

Push, 5/16"

1шт.

15

86628304

DOOR ASSY.

LH

1шт.

16

86635346

FILLER

Top

1шт.

17

86551339

DIVIDER

3шт.

18

86635374

FILLER

LH

1шт.

19

86000448

LATCH

3шт.

20

86618989

SHIELD

Front

1шт.

21

86635376

DOOR

Twine Box

1шт.

22

43290

HINGE

6шт.

23

645970

BRACKET

Support

1шт.

25

281020

SELF-TAP SCREW,Pan HD, #8 - 18 x 3/4"

1шт.

26

614-8030

BOLT,Hex, M8 x 1.25 x 30mm, Cl 8.8, Full Thd

6шт.

27

322358

BELLEVILLE WASHER,M8 Bolt Size x 18mm OD x 1.4mm Thk

38шт.

28

825-1408

NUT,M8, Cl 8

32шт.

29

614-8016

BOLT,Hex, M8 x 1.25 x 16mm, Cl 8.8, Full Thd

53шт.

30

495-21038

WASHER,5/16"

14шт.

31

614-6016

BOLT,Hex, M6 x 1 x 16mm, Cl 8.8, Full Thd

24шт.

32

322357

BELLEVILLE WASHER,M6 Bolt Size x 14mm OD x 1.3mm Thk

11шт.

33

825-1406

NUT,M6, Cl 8

20шт.

34

825-5148

SERRATED NUT,M8, Flg Ser

24шт.

35

495-21031

WASHER,1/4"

7шт.

36

832-46406

NUT,M6 x 1, Cl 8

7шт.

37

832-46408

NUT,M8 x 1.25, Cl 8

2шт.

38

814-6030

BOLT,Hex, M6 x 1 x 30mm, Cl 8.8

1шт.

39

495-21044

WASHER,3/8"

21шт.

40

432-812

COTTER PIN,3/4" OAL x 1/8" W

4шт.

41

86504907

BRACKET

1шт.

42

9840986

CLIP

1шт.

43

811-6016

CARRIAGE BOLT,Sht Sq Nk, M6 x 1 x 16mm, Cl 8.8

2шт.

44

825-5146

SERRATED NUT,M6, Flg Ser

2шт.

45

9820489

WASHER

M10

16шт.

46

844-10025

BOLT,Hex, M10 x 25mm, Cl 8.8

4шт.

47

E9NN16N738AB

LATCH

1/4" Turn

1шт.

48

52367

HOLDER

Shear Bolt

1шт.

49

614-8016

BOLT,Hex, M8 x 1.25 x 16mm, Cl 8.8, Full Thd

4шт.

50

86729652

YOKE

1шт.

51

86729651

SHIELD

1шт.

52

86639273

PANEL

1шт.

53

380426

SCREW,Flng, M6 x 10mm

Self-Tapping, HWH, M6 x 1 x 10

1шт.

54

18

SPRING

1шт.

55

86516805

SOFT TRIM,31-3/4" L

31-3/4" Lg., Serial Range: Cut-Length

1шт.

56

825-51410

FLANGE NUT,M10, Flg Ser

4шт.

57

86622073

WARNING DECAL

English

1шт.

57

86622074

WARNING DECAL

French

1шт.

58

86631516

WARNING DECAL

English

1шт.

58

86632799

DANGER DECAL

WARNING, French

1шт.

59

86547781

REFLECTOR,RED

Red, Retroreflective

1шт.

60

86631518

DANGER DECAL

English

2шт.

60

86632801

DECAL

DANGER, French

2шт.

61

86626958

WARNING DECAL

English

1шт.

61

86626961

WARNING DECAL

French

1шт.

Выбрано товаров: 64