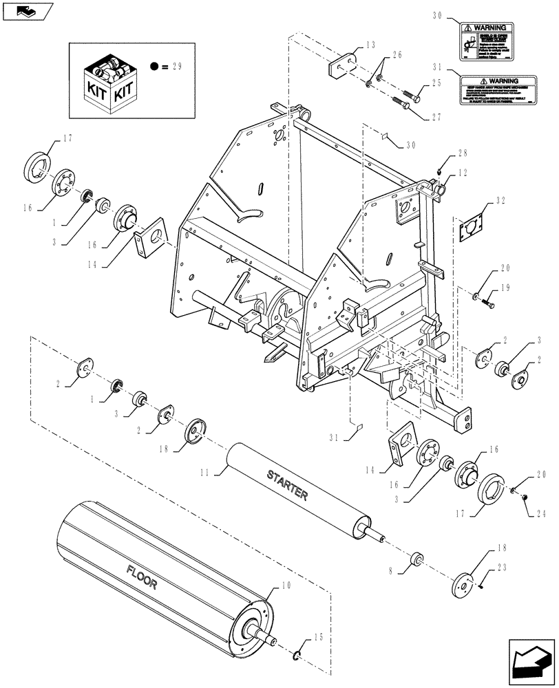
Запчасти Case IH RB444 (12.30) - MAIN FRAME & MAIN FRAME ROLLERS (12) - MAIN FRAME

Схема запчастей Case IH RB444 - (12.30) - MAIN FRAME & MAIN FRAME ROLLERS (12) - MAIN FRAME
8
12
13
11
24
20
2
30
17
27
18
30
28
1
29
1
3
16
16
31
31
32
16
16
home
25
10
15
29
2
2
3
23
3
19
20
26
14
3
2
18
17
14
FIT
1:1
100%

Артикул

Название

Примечание

Количество

1

517645R11

COLLAR

Locking, Includes: Set Screw

6шт.

2

86620026

FLANGED BEARING

16шт.

3

571588R92

BALL BEARING,1.3755" ID x 72 mm OD x 1"

10шт.

6

9800957

WASHER,35.81mm ID x 50.8mm OD x 1.52mm Thk

9шт.

8

86631337

SPACER

1шт.

9

9808762

SHIM

1шт.

10

86635336

ROLLER

Floor, Front

1шт.

11

86635334

ROLLER

Smooth

1шт.

12

87042956

FRAME ASSY

Main

1шт.

13

86618991

SHIELD

1шт.

14

86635256

SUPPORT

Pickup

2шт.

15

626286

SNAP RING

Ext, 1.50"

1шт.

16

86635012

FLANGE

Bearing

4шт.

17

86635211

RING

2шт.

18

86635330

COVER

Roller End

6шт.

19

614-10030

BOLT,Hex, M10 x 1.5 x 30mm, Cl 8.8, Full Thd

12шт.

20

140045

BELLEVILLE WASHER,M10 Bolt Size x 22mm OD x 1.6mm Thk

18шт.

21

811-10030

CARRIAGE BOLT,Sht Sq Nk, M10 x 1.5 x 30mm, Cl 8.8

6шт.

22

825-51410

FLANGE NUT,M10, Flg Ser

8шт.

23

412093

SELF-TAP SCREW

M6 x 1 x 12

6шт.

24

825-1410

NUT,M10, Cl 8

6шт.

25

614-6016

BOLT,Hex, M6 x 1 x 16mm, Cl 8.8, Full Thd

1шт.

26

322357

BELLEVILLE WASHER,M6 Bolt Size x 14mm OD x 1.3mm Thk

2шт.

27

814-6030

BOLT,Hex, M6 x 1 x 30mm, Cl 8.8

1шт.

28

219-90

LUBE NIPPLE,45 Degree Elbow, 1/4" -28 NPTF

2шт.

29

9840158

KIT

Traction, Floor Roll, 3" x 44"

1шт.

Used in Conditions when Core Starting Problems Ocurr.

1шт.

30

86626959

WARNING DECAL

English

1шт.

30

86624741

WARNING DECAL

French

1шт.

Locate French Decal Adjacent to English Decal Where Possible. Install French Decal Over English Decal Where Necessary.

1шт.

31

785888

WARNING DECAL

English

1шт.

32

9808527

PLATE

2шт.

Выбрано товаров: 32