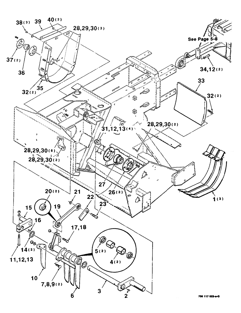
Запчасти Case IH 8520 (5-02) - CHARGE AND STUFFER ASSEMBLY (13) - FEEDER

Схема запчастей Case IH 8520 - (5-02) - CHARGE AND STUFFER ASSEMBLY (13) - FEEDER
1
7
30
5
8
17
14
37
11
2
16
40
9
30
28
29
27
31
26
39
23
34
4
13
19
12
21
32
28
30
28
12
35
29
15
38
36
30
10
32
22
6
28
29
13
29
12
3
18
20
33
FIT
1:1
100%

Артикул

Название

Примечание

Количество

1

700117031

BAND

WRAPPER WA - strutter

3шт.

2

77065

LUBE NIPPLE,1/8"-27 x .66 lg

1/8-27 ZERK - special

1шт.

3

700112335

CRANK

WA

1шт.

4

700706007

BUSHING,50.84mm ID x 55.58mm OD x 51.05mm L

- bearing

2шт.

5

700706005

OIL SEAL

SEAL - grease

2шт.

6

700119281

FORK

ASSEMBLY - stuffer (Includes items 4 & 5)

1шт.

7

7870165

CARRIAGE BOLT,Sq Nk, 5/8" - 11 x 2", Gr 5

5/8-11 X 2 RHSNB

2шт.

8

705061

PLUG

5/8"

2шт.

9

704130

NUT,5/8"-11, G5

5/8-11 H

2шт.

10

700112340

FINGER

- stuffer

1шт.

11

7701600

BOLT,Hex, 1/2" - 13 x 3 3/4", Gr 5

1/2-13 X 3-3/4 C

1шт.

12

80679

LOCK WASHER,1/20.507 CST ZND

WASHER, LOCK, 1/2"

7шт.

13

86516876

COVER

1/2-13 H

5шт.

14

52548

SPECIAL WASHER

2 X 14 GAUGE NRMB

2шт.

15

700112322

ARM

WA - right

1шт.

16

761197

WOODRUFF KEY,#23, 5/16" x 1 3/8"

KEY - woodruff

1шт.

17

701771

SUPPORT

5/8-11 X 2-1/4 C

1шт.

18

704924

NUT

5/8-11 HTLN GR/B

1шт.

19

700112352

LINK

ASSEMBLY (Includes item 20)

1шт.

20

8050601

BEARING, ROLLER, CYL,15.875 mm ID x 49.213 mm OD x 20.65 mm

- cylindrical

2шт.

21

231-5348

FLANGE NUT,Flg, 1/2"-13

1/2-13 HFTLN GR/G

1шт.

22

700119239

SUPPORT

SHAFT WA - pivot

1шт.

23

121-511

HEX SOC SCREW,Shldr, 1/2" - 13 - 5/8" x 1 1/2"

1/2-13 X 5/8 X 1-1/2 HSHSS

1шт.

24

700013

CARRIAGE BOLT,Sq Nk, 5/16" - 18 x 3/4", Gr 5

5/16-18 X 3/4 RHNB

12шт.

25

231-5145

SERRATED NUT,Flg, USR, 5/16"-18

5/16-18 HFSLN

12шт.

26

619333R1

FLANGED BEARING

- bearing

2шт.

27

712943

SPHERICAL BEARING,50.8mm ID x 90mm OD x 22mm W

BEARING - spherical

1шт.

28

700047

BOLT

3/8-16 X 1 RHSNB

13шт.

29

705038

CONTROL VALVE

3/8"

13шт.

30

704023

NUT,3/8"-16, G5

3/8-16 H

13шт.

31

433-816

CARRIAGE BOLT,Sq Nk, 1/2" - 13 x 1", Gr 5

1/2-13 X 1 RHSNB

4шт.

32

80702

WASHER,0.44" ID x 1" OD x 0.08" Thk

3/8 HARDENED PLAIN WASHER

4шт.

33

700112354

PANEL

- rear

1шт.

34

701235

BOLT,1/2" - 13 x 1 1/2", Gr 5

1/2-13 X 1-1/2 C

2шт.

35

700112343

SUPPORT

SHIELD - support

1шт.

36

700708094

SPHERICAL BEARING,1.25" ID x 62 mm OD x 35.71 mm

BEARING - spherical

1шт.

37

50534

FLANGED BEARING

- bearing

2шт.

38

7771322

BOLT,Hex Serr, 5/16" - 18 x 1/2"

5/16-18 X 1/2 HFSS

3шт.

39

700112351

SHIELD

- stuffer

1шт.

40

704247

NUT

3/8-16 HFSLN

2шт.

NOTE:THE BEARINGS IN THE STUFFER LINK ARE CHANGED TO BIGGER BEARINGS WITH BETTER SEALS.LINK ASSY IS PART 700124690 AND THE BEARINGS 50179.CHANGE MADE (8520) AT PIN CFH0019336 AND THE 8530 PIN CFH0097246.

1шт.

If looking for the L shaped angles that hold ref #1, the upper angle is: 700112606, the bottom is: 700112605.

1шт.

Выбрано товаров: 42