Запчасти Case IH 8530 (2-04) - IMPLEMENT DRIVELINE (WALTERSHIED) Driveline

Схема запчастей Case IH 8530 - (2-04) - IMPLEMENT DRIVELINE (WALTERSHIED) Driveline
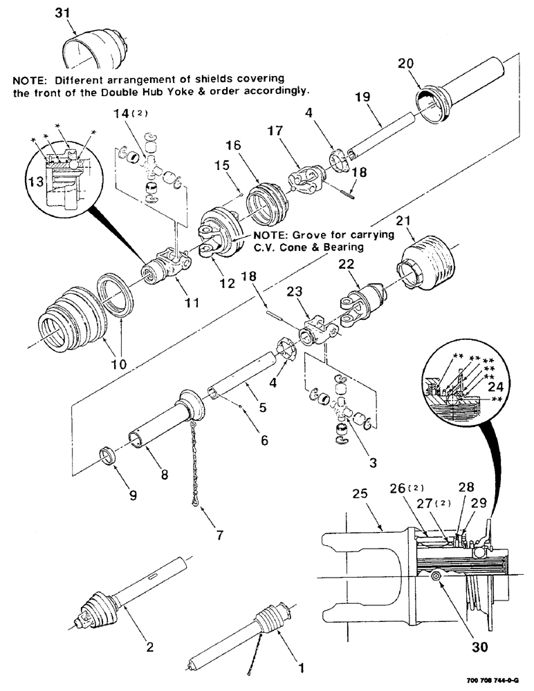
24
9
18
21
22
20
10
17
14
1
27
28
19
15
5
8
4
7
3
12
6
11
31
4
23
25
2
26
30
16
18
29
13
FIT
1:1
100%

Артикул

Название

Примечание

Количество

1

700708794

YOKE

U-JOINT ASSEMBLY - implement half

1шт.

2

700708795

YOKE

U-JOINT ASSEMBLY - implement half

1шт.

3

700707540

KIT

JOURNAL REPAIR KIT - clutch end

1шт.

4

700707545

OIL SEAL

RING - bearing, shield

2шт.

5

700707542

PROFILE

TUBE - inner, drive

1шт.

6

700707556

NIPPLE, LUBE

ZERK

1шт.

7

1281453C1

CHAIN (AG)

CHAIN - safety

1шт.

8

700707548

SHIELD

TUBE - shield, inner

1шт.

9

700707550

SUPPORT

BEARING - support

1шт.

10

700708598

CONE

CV CONE AND BEARING ASSEMBLY

1шт.

11

700707534

YOKE

- splined, front

1шт.

12

700707535

YOKE

HUB YOKE - double

1шт.

13

700707557

KIT

COLLAR KIT - quick disconnect, Includes items in art marked with asterisk

1шт.

14

700707537

KIT

JOURNAL REPAIR KIT - front

2шт.

15

77552

NIPPLE, LUBE

ZERK - grease

1шт.

16

700708599

SHIELD

- cone, 2 rib

1шт.

17

700707536

JOINT ASSY.

YOKE - inboard, front

1шт.

18

700707538

PIN, ROLL

SLOTTED SPRING PIN

2шт.

19

700707541

PROFILE

TUBE - outer, drive

1шт.

20

700707546

SHIELD

TUBE - shield, outer

1шт.

21

700707551

SHIELD

- cone, ribbed, clutch end

1шт.

22

700707544

CLUTCH

- overrunning

1шт.

23

700707543

JOINT ASSY.

YOKE - inboard, clutch end

1шт.

24

700707558

KIT

FLANGE KIT - clutch, quick disconnect, Includes items in art marked with double asterisk

1шт.

25

700710682

HOUSING

- clutch

1шт.

26

700710683

KEY

2шт.

27

700710684

SPRING

- leaf

2шт.

28

700710685

OIL SEAL

RING - supporting

1шт.

29

700710686

OIL SEAL

RING - retaining

1шт.

30

8800476

FITTING

45 DEGREE ZERK

1шт.

31

700707549

SHIELD

CONE - front

1шт.

ITEMS 25-30 ARE NOT FOR THIS APPLICATION. P/N 700710682 HAS YOKE WITH 1-1/4" HOLE DIAMETER. THIS WILL NOT ACCEPT THE 1-1/16" DIAMETER BEARING JOURNALS.

1шт.

ITEMS 25-30 ARE INCORRECT, ORDER ITEM 22.

1шт.

PARTS FOR ITEM 22 ARE NSS.

1шт.

Выбрано товаров: 34