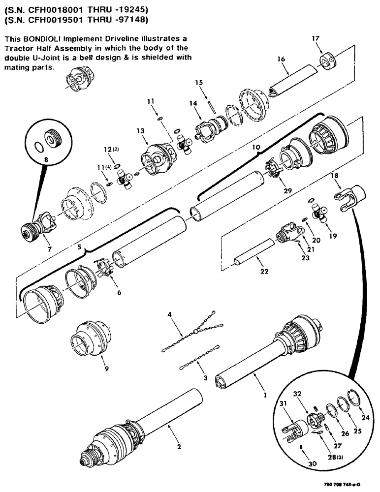
Запчасти Case IH 8530 (2-08) - IMPLEMENT DRIVELINE (BONDIOLI), (S.N. CFH0018001 THRU -19245 Driveline

Схема запчастей Case IH 8530 - (2-08) - IMPLEMENT DRIVELINE (BONDIOLI), (S.N. CFH0018001 THRU -19245 Driveline
31
26
5
14
28
4
17
22
1
3
27
23
21
11
29
6
10
12
9
2
11
16
8
13
15
32
25
24
7
19
18
30
20
FIT
1:1
100%

Артикул

Название

Примечание

Количество

1

700708767

SHAFT

U-JOINT ASSEMBLY - implement half

1шт.

2

700708769

JOINT

U-JOINT ASSEMBLY - tractor half

1шт.

700709481

JOINT

U-JOINT ASSEMBLY - tractor half

1шт.

3

700707183

CHAIN (AG)

CHAIN - safety

1шт.

4

700707192

CHAIN (AG)

CHAIN - safety "Y"

1шт.

5

700708771

SHIELD

ASSEMBLY - tractor end

1шт.

6

700708773

BEARING COVER

BEARING- shield, outer

1шт.

7

700708793

YOKE

ASSEMBLY - tractor

1шт.

8

700708791

COLLAR

1шт.

9

700708774

SHIELD

- CV

1шт.

10

700708770

SHIELD

ASSEMBLY - implement end

1шт.

11

700707187

NIPPLE, LUBE

ZERK

5шт.

12

700708789

YOKE

JOURNAL REPAIR KIT

2шт.

13

700708788

BODY

- CV

1шт.

14

700708787

YOKE

1шт.

15

763896

LINE

PIN

1шт.

16

700708786

TUBE

- drive, outer

1шт.

17

700708785

COLLAR

- grease

1шт.

18

700708780

CLUTCH

ASSEMBLY - ratchet

1шт.

19

700708781

BEARING ASSY

JOURNAL REPAIR KIT

1шт.

20

700707193

NIPPLE, LUBE

ZERK

1шт.

21

700708782

YOKE

- tube, inner

1шт.

22

700708783

TUBE

- drive, inner

1шт.

23

763888

SPLIT PIN/SAFETY PIN

ROLL PIN

1шт.

24

700708775

SNAP RING

1шт.

25

700708777

WASHER

RING - seal

1шт.

26

700708778

RING

- screening

1шт.

27

700708790

KIT

PIN - push

2шт.

28

700708779

RATCHET

- clutch

3шт.

29

700708772

BEARING COVER

BEARING - shield, inner

1шт.

30

700708915

NIPPLE, LUBE

ZERK

1шт.

31

700709052

FORK

YOKE - clutch

1шт.

32

700709490

HUB

- clutch

1шт.

Выбрано товаров: 33