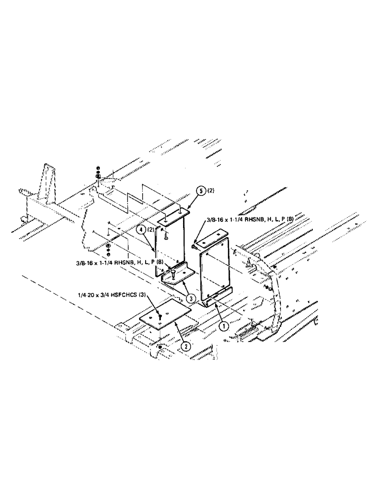
Запчасти Case IH 8540 (57) - DENSITY, REDUCER, BALE KIT Decals & Attachments

Схема запчастей Case IH 8540 - (57) - DENSITY, REDUCER, BALE KIT Decals & Attachments
5
3
1
2
1
4
FIT
1:1
100%

Артикул

Название

Примечание

Количество

HK42373

DENSITY (reducer) BALE KIT COMPLETE

1шт.

1

700101177

ANGLE

FILLER - angle, left

1шт.

2

700101229

PLATE

FILLER - plate, lower

1шт.

3

700101176

ANGLE

FILLER - angle, right

1шт.

4

700101233

PLATE

FILLER - chamber, side

2шт.

5

700101232

PLATE

FILLER - plate, top

2шт.

6

700101177

ANGLE

FILLER - angle, left (6-13/16" long)

1шт.

7

700101176

ANGLE

FILLER - angle, right (6-13/16" long)

1шт.

700054

CARRIAGE BOLT,Sq Nk, 3/8" - 16 x 1 1/4", Gr 5

3/8-16 x 1-1/4 round head square neck bolt grade 5

16шт.

61-42512

HEX SOC SCREW,Flat Hd, 1/4"-20 x 3/4"

1/4-20 x 3/4 hex socket flat countersunk head cap screw

3шт.

Выбрано товаров: 10