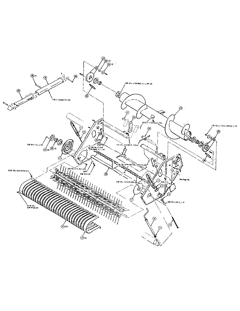
Запчасти Case IH 8540 (14) - PICKUP ASSEMBLY Pickup

Схема запчастей Case IH 8540 - (14) - PICKUP ASSEMBLY Pickup
FIT
1:1
100%

Артикул

Название

Примечание

Количество

1

858704

DRAWBAR

SPRING

2шт.

2

6858864

HOOK

spring

1шт.

3

2401491

PLATE

lock

1шт.

4

8701864

BOLT,Hex, 5/8" - 11 x 15", Gr 5, Full Thd

5/8-11 x 15 full thread hex bolt

1шт.

5

51200164

WASHER

1шт.

6

6853014

CRANK

pickup lift

1шт.

7

2401479

DISC

1шт.

8

6852404

GUARD

WRAPPER, end

2шт.

9

6858989

SUPPORT

WRAPPER

27шт.

10

2401484

FRAME

MAINFRAME, pickup

1шт.

11

6868111

TRACK CHAIN

CAM TRACK

1шт.

12

51292

SPHERICAL BEARING,1.25" ID x 72 mm OD x 19 mm

SPHERICAL BEARING

3шт.

13

51417

PIPE

bearing

8шт.

14

NLS

NO LONGER SERVICED

DRAWBOLT, 3/8-16 thread

1шт.

15

6859680

STOP

auger

2шт.

16

6859672

PAD

stop

4шт.

17

1663038

CHANNEL

inner

1шт.

18

762328

CLIP

1/2 x 4 clevis pin

2шт.

19

1663046

CHANNEL

outer

1шт.

20

58180

SPRING

tension

2шт.

21

763177

SPARE PART

3/4 x 2 clevis pin

1шт.

22

6859763

LINK

lift

1шт.

23

6859839

HUB ASSY.

HUB, clutch

1шт.

24

6859714

ARM ASSY.

AUGER ARM, left

1шт.

25

6852818

WASHER

SPECIAL WASHER

2шт.

26

6852776

SPACER

5/16" thick

2шт.

27

6859722

ARM ASSY.

AUGER ARM, right

1шт.

28

NLS

NO LONGER SERVICED

AUGER

1шт.

29

22897R1

HEADED PIN,1/2" x 4 1/2"

1/2 x 4-1/2 clevis pin

1шт.

483-1388

SET SCREW,Hex Soc, 3/8"-16 x 1/2"

3/8-16 x 1/2 cup point hex socket set screw,Set screw

4шт.

700047

BOLT

3/8-16 x 1 round head square neck bolt grade 5

6шт.

700054

CARRIAGE BOLT,Sq Nk, 3/8" - 16 x 1 1/4", Gr 5

3/8-16 x 1-1/4 round head square neck bolt grade 5

4шт.

703132

SERRATED SCREW

5/16-18 x 3/4 hex flange serrated screw

31шт.

703199

BOLT,Hex, 3/8" - 16 x 3/4", Gr 5, Full Thd

3/8-16 x 3/4 hex cap screw grade 5

1шт.

703249

BOLT,Hex, 3/8" - 16 x 1", Gr 5

3/8-16 x 1 hex cap screw grade 5

6шт.

704288

LOCK NUT

1/2-13 hex center lock nut

1шт.

705657

WASHER

3/8 narrow plain washer

6шт.

7701600

BOLT,Hex, 1/2" - 13 x 3 3/4", Gr 5

1/2-13 x 3-3/4 hex cap screw grade 5

1шт.

7071475

BOLT,Hex, 1/2" - 13 x 3", Gr 8

1/2-13 x 3 hex cap screw grade 5

1шт.

701235

BOLT,1/2" - 13 x 1 1/2", Gr 5

1/2-13 x 1-1/2 hex cap screw grade 5

2шт.

7703440

BOLT,Hex Flange, 5/16" - 18 x 5/8"

5/16-18 x 5/8 hex F

2шт.

7883325

BOLT,Hex, 5/16" - 18 x 3/4", Gr 120M

5/16-18 x 3/4 hex washer head machine screw grade 5

29шт.

704858

LOCK NUT

1/2-13 hex top lock nut

2шт.

Выбрано товаров: 43