Запчасти Case IH 8540 (47) - LIGHT KIT (06) - ELECTRICAL

Схема запчастей Case IH 8540 - (47) - LIGHT KIT (06) - ELECTRICAL
7
2
4
8
5
1
6
9
3
FIT
1:1
100%

Артикул

Название

Примечание

Количество

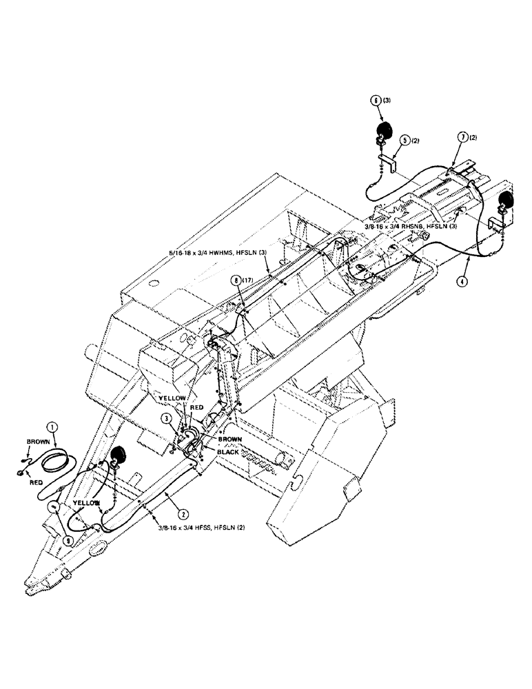
HK42366

LIGHT KIT COMPLETE

1шт.

1

2700179

ELECTRICAL WIRE

WIRING HARNESS

1шт.

2

2700178

HARNESS

WIRING HARNESS

1шт.

3

41137

SWITCH

light

1шт.

4

2700174

ELECTRICAL WIRE

WIRING HARNESS

1шт.

5

2401523

BRACKET

lamp

2шт.

6

CAS41624

LAMP

(12-V, 35-watt, seal beam)

3шт.

7

722470

MOUNTING CLIP

CABLE TIE

2шт.

8

751628

CLAMP

line

17шт.

9

1702364

FUSE

15 AMP

1шт.

7700065

CARRIAGE BOLT,Sq Nk, 3/8" - 16 x 3/4", Gr 5

3/8-16 x 3/4 round head square neck bolt grade 5

3шт.

7703432

BOLT,Hex, Serr, 3/8" - 16 x 3/4"

3/8-16 x 3/4 hex flange serrated screw

2шт.

7883325

BOLT,Hex, 5/16" - 18 x 3/4", Gr 120M

5/16-18 x 3/4 hex washer head machine screw

3шт.

Выбрано товаров: 13