Запчасти Case IH 8540 (25) - PACKER CRANK ASSEMBLY (14) - BALE CHAMBER

Схема запчастей Case IH 8540 - (25) - PACKER CRANK ASSEMBLY (14) - BALE CHAMBER
12
12
1
8
11
5
7
6
2
9
10
4
11
3
FIT
1:1
100%

Артикул

Название

Примечание

Количество

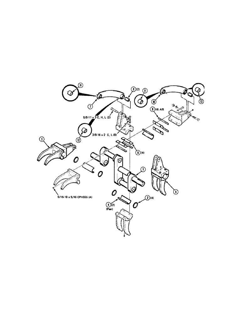
1

2401544

CRANK

packer

1шт.

2

8744062

SEAL

4шт.

3

2401570

FILTER ASSY

PACKER FINGER ASSEMBLY, right (includes retainers no. 2401568)

1шт.

4

2700105

BUSHING

BEARING (pair) 2 I.D. x 5" long

2шт.

5

2401569

FILTER ASSY

PACKER FINGER ASSEMBLY, left (includes retainers no. 2401568)

1шт.

6

2401568

RETAINER

bearing

4шт.

7

2401575

LINK ASSY.

LINK, right

1шт.

8

2401566

BUSHING

1" O.D. x 1-11/32" long

2шт.

9

2401567

SHIM

4шт.

10

2401562

LINK ASSY.

LINK, left

1шт.

11

1700061

BUSHING

1" I.D. x 1" long

2шт.

12

1700079

BUSHING

1" I.D. x 1-1/4 long

2шт.

7701683

BOLT,Hex, 5/8" - 11 x 3", Gr 5

5/8-11 x 3 hex cap screw grade 5

2шт.

178-878

SET SCREW,Hex Soc, 5/16"-18 x 5/16"

5/16-18 x 5/16 cup point hex socket set screw w/nylon patch

4шт.

7701634

BOLT,Hex, 3/8" - 16 x 2", Gr 5

3/8-16 x 2 hex cap screw grade 5

8шт.

Выбрано товаров: 15