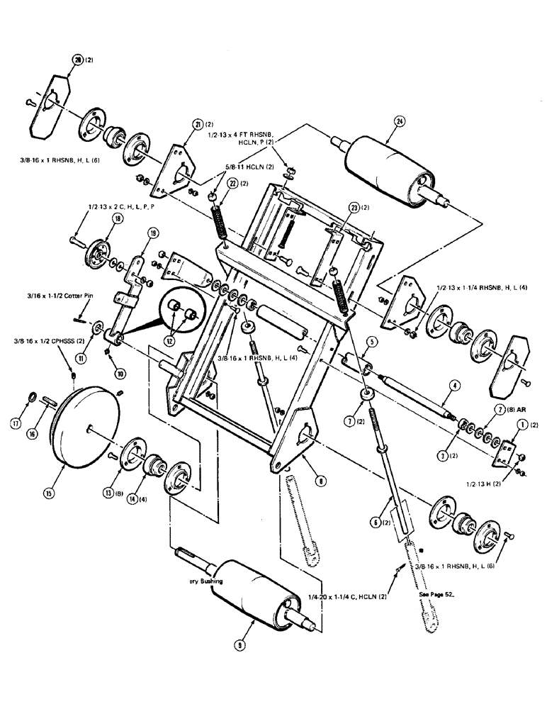
Запчасти Case IH 8540 (54) - BALE THROWER CHUTE, UPPER SECTION (16) - BALE EJECTOR

Схема запчастей Case IH 8540 - (54) - BALE THROWER CHUTE, UPPER SECTION (16) - BALE EJECTOR
8
6
2
12
11
18
4
3
21
9
10
19
24
13
15
1
17
23
20
14
7
22
5
16
FIT
1:1
100%

Артикул

Название

Примечание

Количество

1

1662493

BRACKET

ROLLER BRACKET, upper

2шт.

2

52886

WASHER

1/2 x 14 gauge machinery bushing

8шт.

3

711275

BEARING, BALL

BEARING, radial

2шт.

4

6556898

SHAFT

roller

1шт.

5

6556880

TUBE,39.95 mm ID, 44.45 mm OD, 330.2 mm Length

ROLLER TUBE

1шт.

6

1661875

ROD

2шт.

7

7827116

ROLLER

PAD

2шт.

8

1661578

FRAME ASSY

THROWER FRAME, upper

1шт.

9

700108189

ROLL

ER, drive

1шт.

10

219-8

LUBE NIPPLE,1/4" - 28 NPTF

NIPPLE, LUBE, 1/4"-28 NPT x .54" lg

1шт.

11

495-81070

WASHER,1 1/32" x 1 1/2" x .120"

1 x 10 gauge machinery bushing

1шт.

12

740597

BUSHING

1" I.D. x 3/4" long

2шт.

13

50534

FLANGED BEARING

bearing

8шт.

14

700708094

SPHERICAL BEARING,1.25" ID x 62 mm OD x 35.71 mm

4шт.

15

1662469

SHEAVE

10-3/8" dia.

1шт.

16

761320

KEY

1/4 x 1/4 x 2-1/4 key

1шт.

17

852137

RING, SNAP

SNAP RING

1шт.

18

161430C91

PULLEY

V-idler, 4-3/8" dia.

1шт.

19

1662741

ARM

idler

1шт.

20

1662550

SHIELD

2шт.

21

1662485

LARGE PLATE

MOUNT, bearing

2шт.

22

7758253

SPRING

2шт.

23

1662477

BRACKET

2шт.

24

700108193

ROLL

ER, driven

1шт.

483-1388

SET SCREW,Hex Soc, 3/8"-16 x 1/2"

3/8-16 x 1/2 cup point hex socket set screw

2шт.

7701675

BOLT,Hex, 1/2" - 13 x 2", Gr 5

1/2-13 x 2 hex cap screw grade 5

1шт.

700047

BOLT

3/8-16 x 1 round head square neck bolt grade 5

16шт.

68619

BOLT,Round, 1/2" - 13 x 1 1/4", Grade 5

1/2-13 x 1-1/4 round head square neck bolt grade 5

4шт.

7770787

FITTING,Sq Nk, 1/2" - 13 x 4", Gr 5, Full Thd

1/2-13 x 4 full thread round head square neck bolt grade 5

2шт.

7703473

BOLT,Hex, 1/4" - 20 x 1 1/4", Gr 5

1/4-20 x 1-1/4 hex cap screw grade 5

2шт.

704288

LOCK NUT

1/2-13 hex center lock nut

2шт.

704700

SUPPORT

5/8-13 hex center lock nut

2шт.

704783

SHIM,.020" Thk

1/4-20 hex center lock nut

2шт.

Выбрано товаров: 33