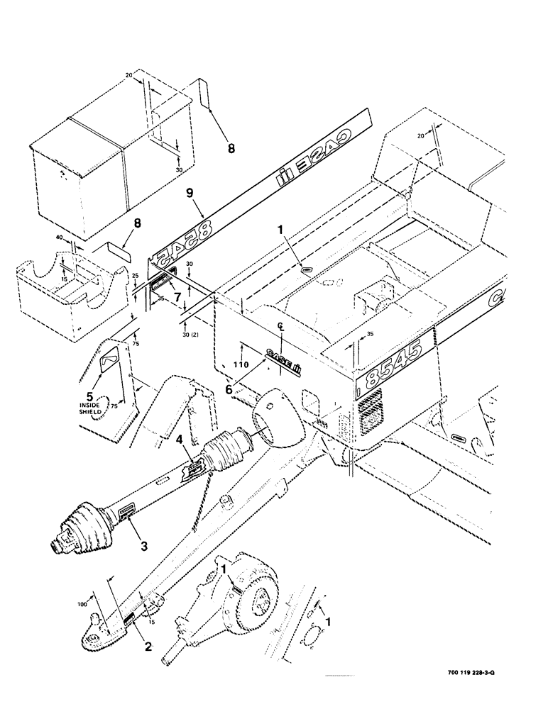
Запчасти Case IH 8545 (9-06) - DECALS AND LOCATION DIAGRAM - FRONT AND RIGHT (S.N. CFH0044811 AND LATER) Decals & Attachments

Схема запчастей Case IH 8545 - (9-06) - DECALS AND LOCATION DIAGRAM - FRONT AND RIGHT (S.N. CFH0044811 AND LATER) Decals & Attachments
9
8
8
5
2
6
3
7
1
4
1
FIT
1:1
100%

Артикул

Название

Примечание

Количество

1

7889306

DECAL

- grease

3шт.

2

7078256

DECAL

- notice, operate at 540 rpm

1шт.

3

80672C1

DECAL

- danger

1шт.

4

700708583

DECAL

- danger

1шт.

5

700708733

DECAL

- right drive

1шт.

6

192848A2

DECAL

- STRIPE, FRONT

1шт.

7

7778368

DECAL

- warning, keep hands away

1шт.

8

878660

REFLECTOR

- red

1шт.

9

700714333

DECAL

- 8545 combo, right

1шт.

Выбрано товаров: 9