Запчасти Case IH 8545 (5-04) - CHARGE CHAMBER WRAPPER ASSEMBLY (13) - FEEDER

Схема запчастей Case IH 8545 - (5-04) - CHARGE CHAMBER WRAPPER ASSEMBLY (13) - FEEDER
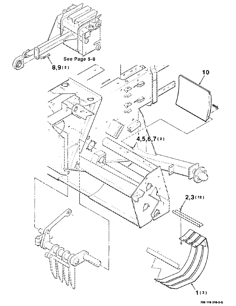
1
3
7
4
10
5
8
6
2
9
FIT
1:1
100%

Артикул

Название

Примечание

Количество

1

700117031

BAND

WRAPPER

3шт.

If looking for the L shaped angles that hold ref #1, the upper angle is: 700112606, the bottom is: 700112605. bj 7/29/99

1шт.

2

433-512

CARRIAGE BOLT,Sq Nk, 5/16" - 18 x 3/4", Gr 5

12шт.

3

231-5145

SERRATED NUT,Flg, USR, 5/16"-18

NUT, Flg, USR, 5/16"-18

12шт.

4

434-616

CARRIAGE BOLT,Sht Sq Nk, 3/8" - 16 x 1", Gr 5

3/8-16 X 1 RHSNB

2шт.

5

496-11041

WASHER,13/32" x 13/16" x .065", HDN

3/8 HARDENED PLAIN WASHER

2шт.

6

492-11038

LOCK WASHER,3/8"

2шт.

7

425-106

NUT,3/8"-16, Cl 5

2шт.

8

413-824

BOLT,Hex, 1/2" - 13 x 1-1/2", Gr 5

2шт.

9

80679

LOCK WASHER,1/20.507 CST ZND

WASHER, LOCK, 1/2"

2шт.

10

700112354

PANEL

- rear

1шт.

Выбрано товаров: 11