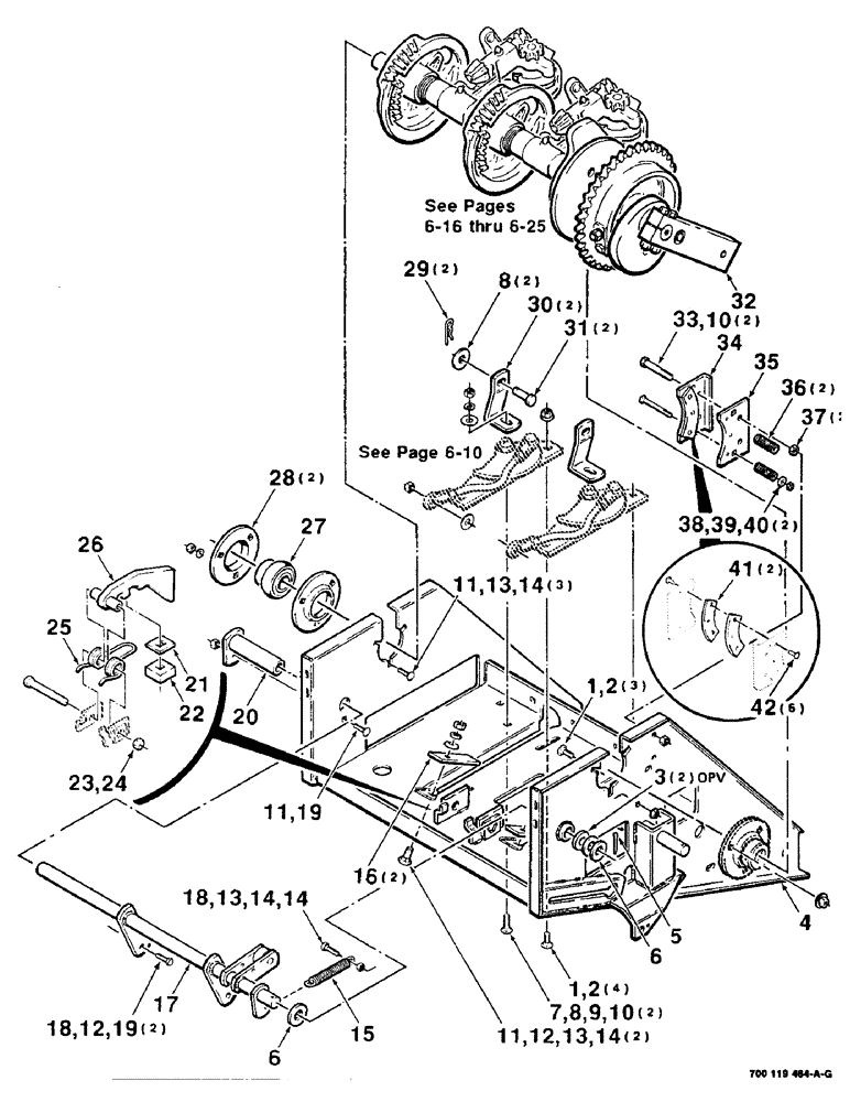
Запчасти Case IH 8545 (6-12) - KNOTTER CONTROL ASSEMBLY (S.N. CFH0044501 THRU CFH0045210) (14) - BALE CHAMBER

Схема запчастей Case IH 8545 - (6-12) - KNOTTER CONTROL ASSEMBLY (S.N. CFH0044501 THRU CFH0045210) (14) - BALE CHAMBER
2
36
29
2
35
3
19
10
6
10
28
24
23
20
21
25
37
11
19
11
13
13
9
14
34
18
31
26
41
14
39
33
12
18
8
6
15
38
5
30
13
22
27
17
42
14
7
16
11
40
1
1
8
4
14
12
32
FIT
1:1
100%

Артикул

Название

Примечание

Количество

1

111-360

CARRIAGE BOLT,Short NK, 3/8"-16 x 3/4", G5

BOLT, CARRIAGE, Short NK, 3/8"-16 x 3/4", G5

7шт.

2

231-5146

FLANGE NUT,3/8"-16

7шт.

3

95-81182

WASHER,0.81" ID x 1.25" OD x 0.07" Thk

3/4 X 14 GA. NRMB

2шт.

4

700119473

FUNNEL

FRAME - knotter

1шт.

5

62224

PIN, SPLIT (COTTER)

3/8 X 16 X 1 COTTER PIN

1шт.

6

705566

WASHER

3/4 HARDENED PLAIN WASHER

2шт.

7

434-616

CARRIAGE BOLT,Sht Sq Nk, 3/8" - 16 x 1", Gr 5

3/8-16 X 1 RHSNB

2шт.

8

496-11041

WASHER,13/32" x 13/16" x .065", HDN

3/8 HARDENED PLAIN WASHER

4шт.

9

492-11038

LOCK WASHER,3/8"

2шт.

10

425-106

NUT,3/8"-16, Cl 5

4шт.

11

433-512

CARRIAGE BOLT,Sq Nk, 5/16" - 18 x 3/4", Gr 5

6шт.

12

496-21034

WASHER,11/32" x 11/16" x 0.89", HDN

4шт.

13

492-11031

LOCK WASHER,5/16"

WASHER, LOCK, 5/16"

6шт.

14

425-105

NUT,5/16"-18, G5

7шт.

15

700714064

SPRING

- tension

1шт.

16

700705653

SHIELD

2шт.

17

700112443

SHAFT

- cam follower

1шт.

18

413-516

BOLT,Hex, 5/16" - 18 x 1", Gr 5

3шт.

19

231-4115

NUT,5/16"-18, GB

5/16-18 HTLN GR/C

3шт.

20

6553523

ANCHOR

MOUNTING - bearing

1шт.

21

700108418

WASHER

- special

1шт.

22

700703778

BUMPER

1шт.

23

413-864

BOLT,Hex, 1/2" - 13 x 4", Gr 5

1/2-13 X 4 C

1шт.

24

230-4118

LOCK NUT,1/2"-13, GA

1/2-13 HTLN GR/B

1шт.

25

700707863

SPRING

- torsion

1шт.

26

700117281

DRIVE DOG

DOG - hay

1шт.

27

204807C91

BEARING ASSY,25.4mm ID x 52mm OD x 15mm W

BEARING - spherical

1шт.

28

51200380

FLANGE

- bearing

2шт.

29

T54573

PIN

.125 HAIRPIN COTTER

2шт.

30

700121069

SUPPORT

- knotter

2шт.

31

427-6106

CLEVIS PIN,9.53mm OD x 26.92mm L

PIN, CLEVIS, 3/8" x 1 1/16"

2шт.

32

700119465

KNOTTER

ASSEMBLY

1шт.

700124192

ASSEMBLY

KNOTTER ASM. - supersedence also includes: 700124189, 063735 & 705541

1шт.

33

413-640

BOLT,Hex, 3/8" - 16 x 2-1/2", Gr 5

2шт.

34

6553556

BRACKET

BRAKE ASSEMBLY - right (Includes items 41 and 42)

1шт.

35

6553572

BRAKE LINING

BRAKE ASSEMBLY - left (Includes items 41 and 42)

1шт.

36

7758154

SPRING

- compression

2шт.

37

425-146

JAM NUT,3/8" - 16, Gr 5

3/8-16 HEX JAM NUT

2шт.

38

433-440

CARRIAGE BOLT,Sq Nk, 1/4" - 20 x 2 1/2", Gr 5

1/4-20 X 2-1/2 RHSNB

2шт.

39

496-11028

WASHER,9/32" x 5/8" x .065, HDN

1/4 HARDENED PLAIN WASHER

2шт.

40

232-4114

LOCK NUT,1/4"-20, GC

1/4-20 HTLN GR B

2шт.

41

700711021

BRAKE LINING

LINING - brake

2шт.

42

64980

RIVET

- aluminum

6шт.

Выбрано товаров: 43