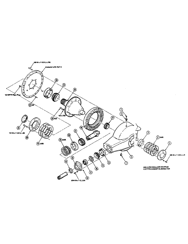
Запчасти Case IH 8550 (18) - GEARBOX (14) - MAIN GEARBOX & DRIVE

Схема запчастей Case IH 8550 - (18) - GEARBOX (14) - MAIN GEARBOX & DRIVE
2
23
8
11
10
17
22
16
15
4
5
12
20
18
26
6
25
19
13
24
14
3
1
9
27
21
7
FIT
1:1
100%

Артикул

Название

Примечание

Количество

700108490

GEARBOX ASSY

GEARBOX COMPLETE

1шт.

1

7751605

BREATHER

PLUG - vent

1шт.

2

803783

REDUCER

BUSHING - reducer

1шт.

3

700703798

BEARING CUP,110 mm OD x 22.5 mm

- left cap

1шт.

4

700703813

ADJUSTING PLATE

SHIM - left cap, .010

3шт.

700703814

SHIM

- left cap, .012

2шт.

700703815

SHIM

- left cap, .015

3шт.

5

700108495

CAP

- left

1шт.

6

700108491

DRIVE

GEARBOX ASSEMBLY (Includes right cover plate)

1шт.

7

8746638

PLUG

- drain, magnet

1шт.

8

700703794

BEARING CUP,120 mm OD x 23.444 mm

- front

1шт.

9

700703795

ROLLER BEARING,63.5 mm ID x 30.162 mm

BEARING CONE - front

1шт.

10

700703803

WASHER

- stake

1шт.

11

700703806

NUT

- stake

1шт.

12

077016

ZERK

1шт.

13

700108494

CAP

- front

1шт.

14

700703804

SEAL

ZEAL - front

1шт.

15

700703810

SHIM

- front, .010

1шт.

700703811

SHIM

- front, .012

1шт.

700703812

SHIM

- front, .015

1шт.

16

700703796

BEARING CUP,152.4 mm OD x 31.75 mm

- front, inner

1шт.

17

700703797

ROLLER BEARING,68.26mm ID x 46.04mm W

BEARING CONE - front, inner

1шт.

18

700703821

BEVEL GEAR

GEAR AND PINION SET

1шт.

19

700703822

SHIM

- right cap, .010

3шт.

700703823

SHIM

- right cap, .012

2шт.

700703824

SHIM

- right cap, .015

3шт.

20

700108496

CAP

- right, plate

1шт.

21

700703805

SEAL

- right cap

1шт.

22

762286

PIN

- dowel

4шт.

23

700703800

BEARING CUP,155 mm OD x 28 mm

- right

1шт.

24

700703802

CONE

BEARING CONE - right

1шт.

25

7884315

BOLT,Hex, 1/2" - 13 x 1 1/2", Gr 8

1/2-13 X 1-1/2 C - grade 8

12шт.

26

700108497

RING

HUB - ring gear

1шт.

27

700703799

ROLLER BEARING,65 mm ID x 28 mm

BEARING CONE - left cap

1шт.

701235

BOLT,1/2" - 13 x 1 1/2", Gr 5

1/2-13 X 1-1/2 C

6шт.

703603

SCREW

3/8-16 X 1-1/2 C

10шт.

702035

BOLT,Hex, 3/8" - 16 x 1 1/4", Gr 5, Full Thd

3/8-16 X 1-1/4 C

4шт.

703579

BOLT,Hex, 5/16" - 18 x 1", Gr 5, Full Thd

5/16-18 X 1 C

4шт.

Выбрано товаров: 38