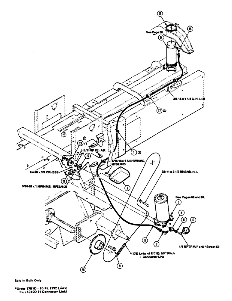
Запчасти Case IH 8550 (54) - BALE TENSIONER, HYDRAULIC, ASSEMBLY (35) - HYDRAULIC SYSTEMS

Схема запчастей Case IH 8550 - (54) - BALE TENSIONER, HYDRAULIC, ASSEMBLY (35) - HYDRAULIC SYSTEMS
14
12
10
13
7
6
1
2
4
8
5
3
17
11
16
15
9
FIT
1:1
100%

Артикул

Название

Примечание

Количество

1

755744

CLAMP

2шт.

2

700108524

SHIELD

1шт.

3

7892128

VALVE

GEAR PUMP ASSEMBLY

1шт.

4

7046113

TEE

1шт.

5

046219

BUSING - reducer

1шт.

6

700703817

GAUGE

- pressure

1шт.

7

7746365

ELBOW

- 90 degrees

1шт.

8

700703818

HOSE ASSY.

HOSE - hydraulic

1шт.

9

061747

GIB KEY

1шт.

10

700108526

SPROCKET ASSY.

SPROCKET - knotter drive

1шт.

11

700703816

SPROCKET ASSY.

SPROCKET - pump drive

1шт.

12

700115572

SQ HOLE WASHER

SPACER

1шт.

13

087973

SPROCKET - idler

1шт.

14

700703899

CYLINDER

- hydraulic

1шт.

15

7852148

RING, SNAP

SNAP RING

1шт.

16

846170

ELBOW

- 90 degrees

1шт.

17

700703825

CLAMP

2шт.

7870181

CARRIAGE BOLT,Sq Nk, 5/8" - 11 x 2 1/2", Gr 5

5/8-11 X 2-1/2 RHSNB

1шт.

702035

BOLT,Hex, 3/8" - 16 x 1 1/4", Gr 5, Full Thd

3/8-16 X 1-1/4 C

4шт.

7883341

SCREW,Hex Washer, 5/16" - 18 x 1 1/4"

5/16-18 X 1-1/4 HWHMS

2шт.

7883333

BOLT,Hex, 5/16" - 18 x 1", Gr 120M

5/16-18 X 1 HWHMS

2шт.

069765

1/4-20 X 38 CPHSSS

1шт.

705632

WASHER

5/8 NP

5шт.

Выбрано товаров: 23