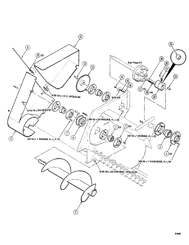
Запчасти Case IH 8550 (28) - AUGER, RIGHT AND DRIVE ASSEMBLY (60) - PRODUCT FEEDING

Схема запчастей Case IH 8550 - (28) - AUGER, RIGHT AND DRIVE ASSEMBLY (60) - PRODUCT FEEDING
12
8
4
3
18
11
14
13
10
16
23
7
6
19
2
22
20
5
1
9
21
24
15
17
FIT
1:1
100%

Артикул

Название

Примечание

Количество

1

051292

BEARING - spherical

3шт.

2

051417

FLANGE - bearing

6шт.

3

700704263

SPHERICAL BEARING,55.562 mm ID x 100 mm OD x 48.4 mm

BEARING - spherical

1шт.

4

714360

FLANGED BEARING

FLANGE - spherical

2шт.

5

700108630

AUGER

- right

1шт.

6

700108644

SPROCKET ASSY.

SPROCKET - double

1шт.

7

061978

KEY

GIB KEY

1шт.

8

700108650

PANEL

SHIELD - drive, right

1шт.

9

6844344

PIN

- hinge

1шт.

10

700108658

SUPPORT

- hinge

2шт.

11

700108657

SHIELD

- upper, right

1шт.

12

061622

GIB KEY

1шт.

13

700108659

SPROCKET ASSY.

SPROCKET

1шт.

14

7894967

HANDLE

1шт.

15

7758212

SPRING

- fastener

1шт.

16

7894975

CLIP

1шт.

17

063800

PIN - dowel

2шт.

18

058511

SPRING - compression

4шт.

19

700108669

LARGE PLATE

SLUG

2шт.

20

077016

ZERK

1шт.

21

069260

1/2-13 X 1 CPSHSS

1шт.

22

700108666

HUB

- coupler

1шт.

23

861203

KEY

1шт.

24

740233

BUSHING

- oilite

1шт.

068619

3/8-16 X 1-1/4 RHSNB

4шт.

700047

BOLT

3/8-16 X 1 RHSNB

6шт.

7700065

CARRIAGE BOLT,Sq Nk, 3/8" - 16 x 3/4", Gr 5

3/8-16 X 3/4 RHSNB

3шт.

7883325

BOLT,Hex, 5/16" - 18 x 3/4", Gr 120M

5/16-18 X 3/4 HWHMS

3шт.

703132

SERRATED SCREW

5/16-18 X 3/4 HFSS

6шт.

413-58

BOLT,Hex, 5/16" - 18 x 1/2", Gr 5

5/16-18 X 1/2 C

4шт.

705608

WASHER,5/16", SAE

5/16 NP

1шт.

Выбрано товаров: 31