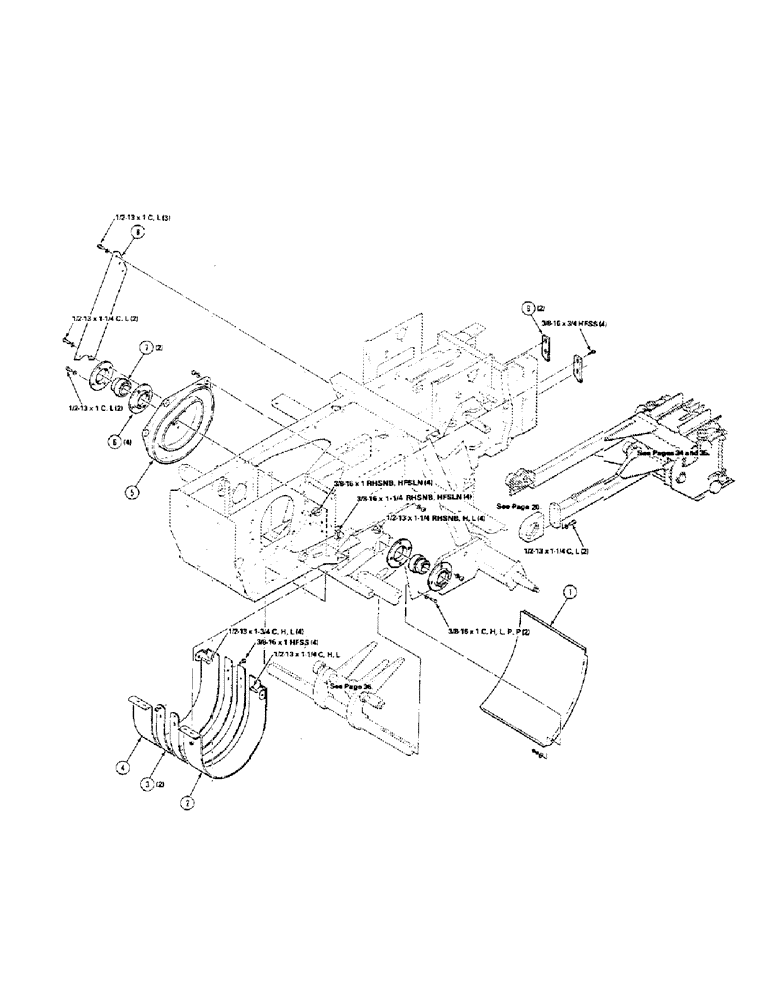
Запчасти Case IH 8550 (32) - CHARGE AND STUFFER ASSMEBLY (62) - PRESSING - BALE FORMATION

Схема запчастей Case IH 8550 - (32) - CHARGE AND STUFFER ASSMEBLY (62) - PRESSING - BALE FORMATION
5
7
8
3
6
9
1
2
4
FIT
1:1
100%

Артикул

Название

Примечание

Количество

1

700108279

COVER

PAN

1шт.

2

700108284

CURTAIN

WRAPPER - left

1шт.

3

700108179

CURTAIN

WRAPPER - center

2шт.

4

700108287

CURTAIN

WRAPPER - right

1шт.

5

700108289

CAM

TRACK

1шт.

6

714360

FLANGED BEARING

FLANGE - bearing

4шт.

7

700704263

SPHERICAL BEARING,55.562 mm ID x 100 mm OD x 48.4 mm

BEARING - spherical

2шт.

8

700108675

PLATE

1шт.

9

700108180

BAR

PLATE - stripper

2шт.

703983

BOLT,Hex, 1/2" - 13 x 1 3/4", Gr 5

1/2-13 X 1-3/4 C

4шт.

7701188

BOLT,Hex, 1/2" - 13 x 1 1/4", Gr 5

1/2-13 X 1-1/4 C

5шт.

703959

BOLT,Hex, 1/2" - 13 x 1", Gr 5, Full Thd

1/2-13 X 1 C

5шт.

703249

BOLT,Hex, 3/8" - 16 x 1", Gr 5

3/8-16 x 1 C

2шт.

068619

1/2-13 X 1-1/4 RHSNB

4шт.

700054

CARRIAGE BOLT,Sq Nk, 3/8" - 16 x 1 1/4", Gr 5

3/8-16 X 1-1/4 RHSNB

4шт.

700047

BOLT

3/8-16 X 1 RHSNB

4шт.

7703424

FLANGE BOLT,Hex, Serr, 3/8" - 16 x 1"

3/8-16 X 1 HFSS

4шт.

7703432

BOLT,Hex, Serr, 3/8" - 16 x 3/4"

3/8-16 X 3/4 HFSS

4шт.

Выбрано товаров: 0